Автомобильный инвертор 12-220v: как сделать преобразователь напряжения своими руками по схеме

Современный рынок автомобильной электроники предлагает большой выбор различных устройств и девайсов, позволяющих обеспечить более комфортное управление машиной в целом. Одним из таких устройств является автомобильный инвертор. Что это за прибор, для чего он используется и как его соорудить своими руками — об этом читайте ниже.
Что такое автомобильный инвертор?
Инвертор или преобразователь напряжения 220v в 12v для авто является неотъемлемым прибором для тех автолюбителей, которые любят отдыхать на природе или большую часть времени проводят за рулем. Этот девайс представляет собой устройство, использующееся для преобразования тока, с его помощью водитель может зарядить ноутбук и другое оборудование, которое питается от бытовой сети. В продаже можно найти инверторы на 1000w, 2000w, 3000w, 5000w, но подбор этого параметра лучше осуществлять в соответствии с целями, которые преследует автолюбитель.
Например, если вы планируете заряжать ноутбук либо батарею своего смартфона, то достаточно будет приобрести простой усилитель на 300 Вт. Однако, если вы часто отдыхаете за городом, то лучше отдать предпочтение более мощным девайсам. Более простые в плане мощности устройства можно подключить к автомобильному прикуривателю, если же речь идет о более мощных приборах, то они соединяются с аккумулятором.

ТОП лучших преобразователей
Если вы решили приобрести прибор с чистой синусоидой, то предлагаем ознакомиться с рейтингом наиболее популярных моделей.
Рейтинг был составлен в соответствии с результатами многочисленных испытаний и тестов:
- Штиль PS12/300. Данная модель выполнена в обычном корпусе, ничего примечательного. По факту девайс выдает не 220, а около 217 вольт. Перегрузка таких моделей не допускается, поскольку это может привести к снижению уровня напряжения в электросети автомобиля в целом. Благодаря наличию линейного выхода модель позволяет выдавать наиболее оптимальный сигнал, что особенно важно.
- Следующее место в рейтинге занимает AcmePower 120. Эта модель не рассчитана на большие нагрузки — ее оптимально использовать для зарядки смартфонов, фотоаппаратов, видеокамер и т.д. По факту девайс выдает около 107 вольт напряжения, поэтому для более серьезных целей он не подойдет. Из недостатков следует выделить отсутствие кнопки активации, так что если вы вдруг перегрузите прибор, то его придется отсоединять от сети вручную.
- Powermate-003 Tamaks. Мощность данной модели составляет около 172 В. Инвертор показал себя с положительной стороны в ходе испытаний, поэтому его рекомендуют к использованию многие специалисты. В том случае, если на Powermate-003 Tamaks будет подаваться более высокая нагрузка, чем та, на которую он рассчитан, прибор отключится и вы его не сможете включить, пока не будет устранена причина перегруза. Одним из ключевых достоинств данной модели является доступная цена.
- Neodrive 200. Фактическая мощность, которую позволяет выдавать этот инвертор, составляет 265 Вт. Одним из основных преимуществ этого варианта является то, что девайс без проблем выдерживает даже высокие перегрузки. А в том случае, если возникнет критическая необходимость отключения прибора, он будет напоминать об этом автолюбителю. Если происходит перегрев устройства, автоматически активируется вентилятор, который также автоматически отключится, когда в его использовании отпадет необходимость.
- Более мощная модель — AcmePower AP-DS400 — характеризуется стильным и оригинальным дизайном. Девайс должен подключаться напрямую к автомобильному аккумулятору, для этого в комплекте идет специальные зажимы. Производитель уверяет, что мощность девайса составляет 400 Вт, хотя по факту это значение составляет не более 380 Вт. Если в системе произойдет перегруз, инвертор просто отключится.
- Следующая модель — MeanWell A301-600-F3 — не получила широкого распространения среди наших соотечественников. Устройство выполнено в металлическом корпусе, который довольно ненадежный и тонкий. По схеме прибор оснащается тремя диодными индикаторами, расположенными на лицевой части. С помощью диодов водитель сможет узнать, правильно ли работает устройство, нет ли перегруза в системе и не перегревается ли девайс.
По факту прибор отлично работает при нагрузке до 600 Вт. Судя по отзывам, эта модель считается самой оптимальной для тех автовладельцев, которые предпочитают отдых с палатками за городом (автор видео — канал AKA KASYAN).
Инструкция по изготовлению автопреобразователя напряжения своими руками
Можно ли сделать преобразователь своими руками? Если вы планируете соорудить не самый мощный прибор, то его вполне можно сделать своими руками. Схем для изготовления девайса огромное множество, если вы поищите в Сети, то без проблем найдете нужный вариант. Мы предлагаем ознакомиться с процессом изготовления инвертора из ИБП — источника бесперебойного питания. Разумеется, сам ИБП должен быть рабочим.
Для изготовления вам потребуется бытовая розетка, а также специальные зажимы для подключения. В общем процедура производства инвертора — не особо сложная, для изготовления прибора нужно удостовериться в том, что девайс оборудован опцией холодного пуска.
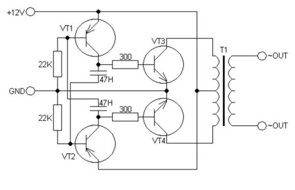
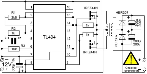
Фотогалерея «Схемы для изготовления инвертора»


Этапы
Процедура изготовления выполняется так:
- В первую очередь к заднему выходу прибора необходимо подключить подготовленную бытовую розетку.
- После этого из платы следует убрать спикер. Этот элемент издает звуковые сигналы и предназначен для оповещения пользователя. В данном случае спикер не нужен, поскольку он будет фиксировать ошибки в работе прибора из-за отсутствия напряжения 200 вольт, соответственно, будет издавать постоянные звуковые сигналы предупреждения. Спикер выпаивается из платы с помощью паяльника, это позволит размягчить контакты его подключения. Для демонтажа используйте пассатижи.
- Непосредственно ИБП используется для недолговременной работы от встроенного в него АКБ, по факту рабочий девайс может функционировать не более 15-20 минут. В том случае, если вы хотите, чтобы изготовленный прибор не перегревался, инвертор следует оборудовать вентилятором. Монтаж данного устройства должен быть произведен с учетом того, что воздушный поток должен охлаждать схему, поэтому установите вентилятор в боковую крышку.
- После этого вам остается только подключить к плате зажимы, которые будут использоваться для соединения устройства с батареей.
Видео «Простой вариант изготовления инвертора»
В ролике ниже представлен процесс изготовления инвертора по простой схеме своими руками (автор видео — канал AKA KASYAN).
