Не Горят Противотуманки на Лада Ларгус. Не работает реле птф
Лампы применяемые на Лада Ларгус: ближний свет, ПТФ и другие
Какие лампы используются на Лада Ларгус. Ближний свет, лампа габарита света, переднего указателя поворота, освещения номерного знака и др.
Выбор
Прежде всего следует сказать, что лампа ближнего света для Лады Ларгус используется галогенная стандарта H4, т.е. содержит две нити и отвечает не только за ближнее, но и за дальнее освещение.
В настоящее время на рынке можно найти такие лампы от самых разных производителей, среди которых можно выделить следующие:
Кроме того, в последнее время неплохо себя зарекомендовали отечественные лампочки «Маяк». К их достоинствам относится не только низкая цена, но хорошее качество.
Совет!
Приобретать лампочки желательно в специализированных магазинах, так как в последнее время появилось множество поддельных изделий из Китая, которые быстро выходят из строя или светят некачественно.
Конечно, при выборе ламп нужно обращать внимание не только на бренд, но и на следующие характеристики осветительного элемента:
ХарактеристикиОптимальные параметрыЯркость (мощность светового пучка)До 1550 ЛмСрок эксплуатацииДо 1500 часовМощность45-60 Вт
Стандартные «галогенки» обеспечивают неестественное желтоватое свечение. Однако, в последнее время появились лампочки, с голубоватым свечением. В народе их принято называть псевдо-ксеноном.
Правда, следует отметить, что такой свет хорошо освещает дорогу лишь в сухую погоду. В туман или дождь предпочтительней обычные лампы.
Причем в непогоду последним уступает даже дорогостоящий «ксенон» и «светодиоды», мощность светового пучка у которых в полтора-два раза мощней, чем у галогеновых лампочек. Связано это с тем, что свет данных элементов обладает недостаточной проникающей способностью.
Обратите внимание!
Для установки ксеноновых и галогенных ламп следует обратиться за помощью в сервисный центр, так как эта работа требует установки дополнительного оборудования и внесения изменений в программное обеспечение.
Соответственно, установка такого освещения является достаточно дорогостоящей.
Таким образом, каждый водитель может сам подобрать наиболее подходящую лампочку, учитывая собственные финансовые возможности и условия, в которых будет эксплуатироваться машина.
Порядок замены
Замена лампы ближнего света на Лада Ларгус осуществляется в таком порядке:
- Работу следует начинать с отсоединения клеммы от аккумулятора.
- Затем нужно снять заглушку с обратной стороны фары. Для этого ее нужно слегка повернуть.
- После этого следует отсоединить колодку от контактов, потянув ее за корпус.
- Далее надо пальцем вывести пружинный фиксатор из пазов. После этого лампочку легко изъять из фары, так как больше ее ничего не удерживает.
- Далее на место нужно установить новую лампочку. Эту работу лучше выполнять в перчатках, чтобы не коснуться своими руками стеклянной колбы. Дело в том, что жировые следы могут привести к быстрому перегоранию лампы.
- Затем нужно зафиксировать цоколь пружинным фиксатором, надеть на контакты колодку и затем установить на место заглушку.
- В завершение работы следует подключить аккумулятор и проверить работу фар.

Фары на Ларгус: какие стоят изначально и на что их можно заменить
- рабочий ресурс – если галогеновая лампа просветит 300 часов, то светодиодная может отслужить 50 или даже 70 тыс. часов;
- яркий свет – это особенно важно в плохую погоду или при частых поездках загородом;
- меньшее потребление энергии – снижается расход топлива;
- не нужно время на разогрев – включаются мгновенно, без задержки.
Не горят противотуманки на ВАЗ 2114: ищем причины
Чтобы сэкономить время, рекомендуется заранее приготовить все инструменты, с помощью которых можно быстро разобрать фару. Следует запастись терпением, чтобы сделать все аккуратно, ведь если сломать крепления или сами ПТФ, то ремонт не поможет, придется менять деталь на новую.
Лампы в ПТФ перегорели
Но иногда случается так, что ПТФ отказываются включаться, причем не работать может как одна, так и обе фары. Причин того, почему не горят противотуманки на ваз 2114, может быть большое множество, но главная из них — появление окислов или коррозии в важных местах электрической цепи, идущей к фарам.
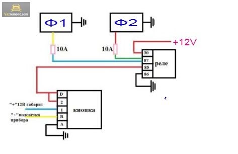
Перед тем, как рассмотреть все возможные причины более подробно, следует ознакомиться с принципиальной схемой подключения противотуманных фар к бортовой электросистеме автомобиля.

На ней присутствуют следующие обозначения:
- прямоугольники розового цвета 10А — 10-ти амперные предохранители;
- Ф1 и Ф2 — противотуманные фары;
- значок заземления — подключение к массе;
- +12V — выход на «+» клемму аккумуляторной батареи.
Не Горит Ближний Свет на Лада Ларгус • Порядок замены | ✨Мир света
- жёлтого цвета (указатель поворота);
- красного цвета (габариты);
- белого цвета (фонарь заднего хода);
- красного цвета (сигнализатор торможения);
- красного цвета (светоотражатель). 1 — указатель поворота; 2 — габарит; 3 — фонарь заднего хода; 4 — стоп-сигнал; 5 — подсветка номера
ПТФ Ларгус: как выбрать и поставить противотуманки на авто Когда заменяете одну лампу, сразу же замените и вторую. Вы избежите непредвиденного перегорания и обеспечите одинаковое свечение.
Инструкция по замене ламп
Для замены нам потребуется ключ звездочка Torx Т-20 с помощью которого необходимо открутить саморезы крепления подкрылка.

Откручиваем саморезы крепления подкрылка и отгибаем подкрылок
Перед нами видна противотуманная фара с лампой. Нажимаем на фиксатор и снимаем колодку с лампы.
Поворачиваем лампу на пол оборота и вынимаем из птф. Устанавливаем новую лампу не трогая за колбу и подсоединяем колодку к лампе.
Если после замены лампы она не заработала, возможно причина в проводке или предохранителе. На каждую птф идет свой предохранитель, поэтому советуем для начала проверить его.
Предохранитель противотуманных фар на Лада Ларгус находится в монтажном блоке под капотом. Номер предохранителя F31.
Похожие Статьи:
Поделиться «Как заменить лампы птф Лада Лагрус»
Противотуманные фары или ПТФ в автомобиле выступают в качестве дополнительных световых источников. Они помогают водителю лучше обозревать дорожное полотно в условиях ухудшившейся видимости. Устанавливаются в большинстве моделей в посадочные гнезда бампера, а также под (над) ним, что значительно реже. Такой источник света облачен в собственный корпус.
Предохранители и реле Лада Ларгус. | Автотема
- оригинальные изделия;
- продукт французского бренда «Valeo»;
- аналоги от тайваньских производителей «Depo» и «TYC»;
- ПТФ польского происхождения «Polcar».
Замена противотуманок на ларгусе | Хитрости Жизни Как заменить лампочку ПТФ? Процесс этот в Лада Ларгус довольно прост, хотя и требует некоторой разборки авто. Поэтому, кроме лампочек, необходимо запастись:
Алгоритм регулировки фар
Для настройки фар Лада Ларгус можно либо обратиться в сервисный центр, либо сделать это самостоятельно. Главная особенность такой процедуры в том, что не имеет значения модель автотранспорта, его модификация и комплектация. Регулировка проводится одинаково как на новых автомобилях, так и на авто с пробегом.
Фиксация данных

Важно поставить транспортное средство перед ровной стенкой, за неимением таковой подойдёт лист фанеры. Стенка в высоту должна составлять не менее двух метров, а расстояние от любой фары до стены – от 2,8 до 3,2 м.
На место водителя укладывается подходящий груз, соответствующий весу до 80 кг. После этого измеряется расстояние от одной фары до другой, высота до земли, и вычисляется средняя величина. Все замеры переносятся с помощью мела или других средств на стенку: так проецируется центр и край свечения.
Процедура настройки
Проверка регулировки
Регулировка считается завершенной, если лучи света с каждой фары в точности совпадают с проекциями на стенке. Для закрепления проводится пробный заезд и повторная проверка. Главное в настройке — чтобы световые лучи не ослепляли водителей встречных машин. Но даже после точной регулировки работы фар освещение может быть плохим, и тому есть несколько причин.
Помутнение стекла, из-за чего свет становится недостаточным. Решением этой проблемы станет замена блок-фары или полировка стекла. Для этого можно воспользоваться шлифовальной машинкой и специальной пастой для полировки.
Как снять противотуманку на ларгусе? Энциклопедия автомобилиста — ремонт авто своими руками
- Автомобиль устанавливается на ровную площадку и фиксируется стояночным тормозом.
- Отсоединяется минусовая клемма от АКБ.
- Снимается передний бампер.
- Болты 1,3 и 4 (фото) отворачиваются, тем самым фара освобождается от крепления.
Заключительный этап Выбрать и установить хорошую лампу для фар можно самостоятельно. На рынке автомобильных запчастей и аксессуаров есть лампочки как от отечественных производителей, так и от зарубежных. Китайские лампы не очень качественные: быстро перегорают, не обеспечивают достаточную видимость на дороге.
Установка ПТФ
Для монтажа ПТФ на Lada Largus понадобятся следующие элементы:
Чтобы сэкономить время, рекомендуется заранее приготовить все инструменты, с помощью которых можно быстро разобрать фару. Следует запастись терпением, чтобы сделать все аккуратно, ведь если сломать крепления или сами ПТФ, то ремонт не поможет, придется менять деталь на новую.
Начальный этап
Первым делом нужно открыть капот и отсоединить минусовую клемму от аккумулятора. После этого можно начинать демонтировать передний бампер. Чтобы сделать это, следует открутить саморезы на колёсных арках и креплениях нижней части бампера, а также болты.
Особенно нужно обратить внимание на саморезы, которые расположены по углам бампера. Ими он крепится непосредственно к крыльям. Чтобы до них добраться, придется немного отодвинуть установленные подкрылки (их крепление по колёсным аркам уже откручено). Дальше можно приступать к снятию бампера. Делается это аккуратно, строго по направлению движения.
Второй этап
Далее необходимо снимать заглушки. Для этого на внутренней части бампера нужно отсоединить крепления и вместо них установить фиксаторы под противотуманки у Ларгуса. Затем можно при помощи саморезов прикрутить ПТФ к бамперу. Под ним нужно закрепить жгут проводов на кузов, а на него – провод «массы». Для надёжности провода стягиваются стяжками и укладываются в тюбинг.
Третий этап
Четвертый этап
На этом этапе все работы производятся уже в салоне автомобиля. Нужно найти место, где будет установлена кнопка включения противотуманных фар. Это может быть выход с заглушкой или новое отверстие в любом удобном месте. Провода от установленной кнопки проводятся к монтажному блоку.
Заключительный этап
На завершающей стадии все работы сосредоточены на монтажном блоке. Провода от кнопки и от самих противотуманных фар должны уже находиться в непосредственной близости друг от друга и рядом с монтажным блоком. Проблем с подключением возникнуть не должно, если в точности следовать инструкциям и схеме, которая обязательно прилагается к комплекту ПТФ у Ларгуса.
После успешного подключения остаётся лишь проверить свет фар: он не должен ослеплять встречных водителей. Правильно отрегулированный луч — один из факторов безопасности на дороге. Важно соблюдать поэтапную последовательность действий по установке ПТФ. Если же имеются сомнения относительно собственных возможностей, то лучше обратиться к специалистам и сохранить свои нервы и время.

Сломано реле
- На левой стороне откручиваются три самореза, и извлекается клипса крепления фартука снизу. Не снимая его, нужно повернуть в сторону. Теперь доступ к лампе открыт: следует выкрутить ее против часовой стрелки и извлечь. Установить новую деталь и повторить все действия в обратном порядке.
- Немного по-другому выглядит замена на правой стороне. Здесь также откручиваются три самореза, но извлечь нужно две клипсы. Затем вытаскивается пистон и отводится в сторону щиток. Дальнейший процесс замены идентичен предыдущей инструкции.
Выбор ПТФ по цвету и маркировке Как показывает практика, реле на ПТФ ВАЗ 2114 выходит из строя крайне редко. Чаще всего происходит лишь обрыв контактирующей площадки или контакта массы из-за вибраций кузова. Грешить на неисправное реле следует в последнюю очередь.
Предохранители и реле Лада Ларгус.
Расположение: в салоне с левой стороны приборной панели.

Назначение предохранителя (в зависимости от уровня комплектации):
Расположение: в левой нижней части панели приборов.
Назначение (в зависимости от уровня комплектации):
EH1 (40-контактный разъём) ДЕРЖАТЕЛЬ МОДУЛЬ ЧЁРНОГО ЦВЕТА.
P1 (15-контактный разъём) ДЕРЖАТЕЛЬ МОДУЛЯ БЕЛОГО ЦВЕТА.
Панели предохранителей и реле (299-597-336-784-1047) двигатели K4M – K7M.
Расположение: в коммутационном блоке моторного отсека.
Назначение предохранителей (в зависимости от уровня комплектации):
Панель предохранителей 597-1.
Панель предохранителей 597-2.
Панель предохранителей 597-3.
Полезное видео
Лампы в ПТФ перегорели

Лада Ларгус — замена ламп в блок-фаре — журнал За рулем
Устройство электрооборудования и противотуманных фар на ВАЗ-2114 Реле находится либо в монтажном блоке, либо установлено в другом месте, если ПТФ устанавливалось не заводом. Самый простой вариант – заменить и проверить на заведомо рабочее реле, так же можно попробовать постучать по нему. Когда вы включаете кнопку ПТФ – должен происходить щелчок реле. Если реле не щелкает – либо заменить реле, либо на него попросту не идут питание.

