Не Горят Стоп Сигналы Фольксваген б3 – Не работают стоп-сигналы ваз 2114
Что делать, если горит лампа тормозной системы
На приборную панель автомобиля выведены датчики и сигнальные лампы, по которым осуществляется контроль работы двигателя авто и ряда иных систем, отвечающих за безопасность движения. К таким относится и сигнальная лампа тормозной системы. При включении зажигания эта лампа загорается, но после запуска мотора – гаснет, что и указывает на нормальное состояние тормозной системы.
Но водители сталкиваются с такой проблемой, когда сигнальная лампа тормозов загорается во время движения. Причем гореть она может постоянно, миганиями (бессистемными), только при выжиме педали тормоза. А это уже может частично указать, где искать причину такого поведения сигнальной лампы.

Предохранитель печки пассат б3
- датчике уровня жидкости;
- датчике включения сигнала ручника;
- лампах стоп-сигнала;
- датчиках степени износа тормозных колодок.
Почему загорается лампа неисправности тормозов и что в этом случае делать Что представляет собой проверка сенсорного датчика? Основная задача — измерить напряжение и сопротивление в самой системе.
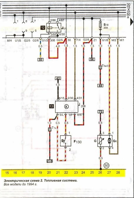
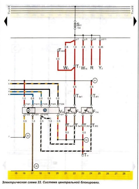
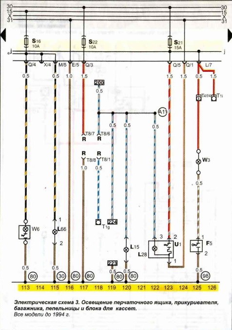
Схема электрооборудования автомобиля Volkswagen Passat (фольксваген пассат)
Для удобства поиска в пределах страницы, фрагмента схемы, ниже представлены ссылки. Возврат на начало страницы, клавиши Ctrl+Home.
Генератор,аккумулятор, стартер, замок зажигания.

Указатели поворотов и аварийная сигнализация.
Указатели поворотов и задние фонари.
Подсветка номерного знака и переключатель освещения.
Противотуманные фары и фонарь заднего хода.
Обогреватель заднего стекла и звуковой сигнал.
Переключатель освещения, подсветка номерного знака, подогрев сопел омывателя ветрового стекла.
Противотуманные фары и фонарь заднего хода.(Двигатель 2E).
Вентиляторы радиатора и отопителя.(Двигатель 2E).
Обогреватель заднего стекла и звуковой сигнал.(Двигатель 2E).
Очиститель и омыватель заднего стекла.
Датчик минимального уровня охлаждающей жидкости.
Расшифровка значков на приборной панели
Неисправности ABS, диагностика, способы устранения неисправностей Значок машины может гореть разный, бывает, что горит значок «машина с гаечным ключом», значок «машины с замком» или восклицательным знаком. Обо всех этих обозначениях по порядку:
Датчики и масса автомобиля
Особое внимание стоит уделить датчикам. Проверьте, нет ли на сенсорных датчиках каких-либо механических повреждений.

Чтобы понять, дают ли датчики точную информацию, необходимо проверить ступичный подшипник на факт отсутствия люфта, а также работоспособность тормозов, целостность колодок, герметичность ГТЦ и так далее.
Все необходимые тесты должны проводиться на специальных стендах. Только так можно рассчитывать на максимально точные результаты осмотра и измерений.
Обязательно стоит убедиться, что масса автомобиля имеет нормальный контакт.
Также читайте — Признаки неисправности датчика массового расхода воздух, проверка ДМРВ на работоспособность, диагностика мультиметром, тестером, замена своими руками.
Что делать, если не горят стоп-сигналы на автомобиле
Схема электрооборудования автомобиля Volkswagen Passat (фольксваген пассат) Патрон подключения переносной лампы. Реле включения обогрева заднего стекла (контакты). Элемент обогрева заднего стекла
Сообщающие о неисправности
Значок аккумулятора загорается, если падает напряжение в бортовой сети, часто такая проблема связана с отсутствием заряда аккумуляторной батареи от генератора, поэтому его еще могут называть «значок генератора». На автомобилях с гибридным двигателем такой индикатор дополняется надписью «MAIN» внизу.
Значок двигателя, некоторые водители его могут называть «значок инжектора» или check, может гореть желтым цветом, когда работает двигатель. Он информирует о наличии ошибок двигателя и неисправности его электронных систем. Для определения причины его появления на табло приборной панели производят самодиагностику или компьютерную диагностику.
Значок свечей накала может загораться на приборной панели дизельного автомобиля, значение такого индикатора точно такое же, как и значка «чек» на бензиновых авто. Когда в памяти электронного блока нет никаких ошибок, то значок спирали должен тухнуть после прогрева двигателя и отключения свечей накала. Как проверить свечи накала читайте тут.
Этот материал является информативным для большинства автовладельцев. И хотя здесь не представлены абсолютно все возможные значки всех существующих машин, Вы сможете самостоятельно разбираться в основных обозначениях приборной панели авто, и не будите бить тревогу, когда увидите, что вновь горит значок на панели.
Сохраните себе шпаргалку по значкам на панели приборов, чтобы знать, о чём сообщает Ваш автомобиль.

Не работают фонари заднего хода ваз 2109
Неисправность включателя Все вместе электроприводы стеклоподъемников и люка защищены также автоматом
защиты, который в случае перегрузки автоматически выключается (например, при
примерзании стекол) и через несколько секунд опять включается.
Проблема с предохранителем
Начинать, конечно, проще всего с блока предохранителей. Во всяком случае вероятность того, что именно здесь кроется причина неработоспособности многих электроприборов, всегда высока.

И только если вы убедились, что проблема именно в перегоревшей лампочке – ищите полноценную замену.
На некоторых автомобилях электрическая схема питания стоп-сигналов устроена таким образом, что при неисправной (перегоревшей) лампочке не будет гореть и другая. Это нужно учитывать при выполнении проверки вышеозвученным способом.
Может отсутствовать контакт между патроном и электропроводкой, но для установки этого факта потребуется тестер.
Предохранители и реле Фольксваген Пассат B3
- неисправность в блоке предохранителей (перегорел, окислились контакты);
- перегорела лампа в фонаре стоп-сигнала;
- не срабатывает механизм включения стоп-сигнала, включающийся при нажатии на тормозную педаль;
- нет контакта между лампой и штекером;
- имеются проблемы с целостностью электропроводки.
Сообщающие о неисправности Значок свечей накала может загораться на приборной панели дизельного автомобиля, значение такого индикатора точно такое же, как и значка «чек» на бензиновых авто. Когда в памяти электронного блока нет никаких ошибок, то значок спирали должен тухнуть после прогрева двигателя и отключения свечей накала. Как проверить свечи накала читайте тут.
