Не Горят Фонари Заднего Хода Киа Спектра – Проблемы с предохранителем
14а. Система отопления и кондиционирования
Схема 14а. Система отопления и кондиционирования Kia Spectra (Киа Спектра): 1 – аккумуляторная батарея; 2 – плавкая вставка IG2 (30 A); 3 – плавкая вставка BLOWER (30 A); 4 – плавкая вставка ROOM (10 A); 5 – выключатель (замок) зажигания; 6 – плавкая вставка.
Схема 14б. Система отопления и кондиционирования Kia Spectra (Киа Спектра): 1 – исполнительный механизм переключателя режимов отопления и кондиционирования; 2 – исполнительный механизм регулировки температуры; 3 – блок управления отопителем; 4 – переключатель температур.

Блок предохранителей Киа Спектра и реле: схемы, расположение
Расшифровка значков на приборной панели Если не горят фонари заднего хода, то вы попадаете в весьма аварийную ситуацию: люди могут не предугадать ваших действий, да и паркуясь в темноте, вы вряд ли что увидите без задних фонарей. В данной статье мы узнаем, что делать, если не горит задний ход на 2114.
Предупреждающие значки на панели
Значок руль может загораться в двух цветах. Если горит желтый руль, то требуется адаптация, а при появлении красного изображения рулевого колеса с восклицательным знаком, уже стоит обеспокоиться отказом системы ГУР или ЭУР. Когда светится красный руль, то наверняка Ваше рулевое колесо стает очень трудно поворачивать.
Значок иммобилайзера, как правило, моргает, если автомобиль закрыт; в таком случае индикатор красного автомобиля с белым ключом сигнализирует о работе противоугонной системы. Но существует 3 основных причины если лампочка иммо постоянно горит: иммобилайзер не активирован, если не считывается метка с ключа или система противоугона неисправна.
Значок ручника загорается не только в том случае, когда активирован (поднят) рычаг ручного тормоза, но и в тех случаях, когда износились тормозные колодки или нужна доливка/замена тормозной жидкости. На авто с электронным ручником лампочка стояночного тормоза может загораться по причине глюка концевика или датчика.

Не горят фонари заднего хода: причины, ремонт
Киа спектра не работают поворотники и аварийка — Автомобильный портал AutoMotoGid Подведена на предохранитель 2, установленный в салоне авто.
Основные причины неисправности
Чем может быть вызвана неисправность? Причин несколько:
- Перегорел предохранитель. Проблема считается наиболее распространенной. Если в автомобиле установлено реле, которое переключает сигналы аварийной сигнализации и поворотников, то причина может быть в нем. Учтите, что деталь может крепиться как в основном блоке предохранителей, так и отдельно от него — здесь все зависит от модели автомобиля. Чтобы отыскать устройство, используйте схему.
- Перегорела лампочка. Это еще одна причина, почему не работают поворотники и аварийка.
- Замыкание в проводке. При подаче команды на включение, сигналы могут путаться. К примеру, водитель активирует аварийный сигнал, а срабатывают поворотные огни, или наоборот. При наличии замыкания, оптика может и вовсе не среагировать на действия автовладельца. Чтобы диагностировать поломку, нужен тестер и базовые знания электрической части.
- Поломка переключателя под рулем или кнопки. Для выявления неисправности, необходимо проверить работоспособность этих устройств.
- Обрыв электрической цепи. Эта поломка характерна для старых машин. Если провода проложены в местах, где имеются движущиеся детали, то возможно перетирание проводки. В результате, цепь разрывается.

Схемы электрооборудования KIA SPECTRA — инструкция
Расположение

Опции темы
- Мигания поворотов нет, но лампочки горят. Такая проблема сигнализирует о выходе из строя реле, а именно его электромагнитной части. Как правило, неисправность свидетельствует о замыкании электромагнита в одной из позиций и невозможности возврата в первоначальное положение.
- Повортники работают, но слишком медленно или в ускоренном режиме. При таких признаках, причиной неисправности может быть не только реле. Как правило, проблема проявляется при неправильном выборе лампочек. При покупке осветительных устройств, важно проверить, что они соответствуют номиналу, который установлен производителем машины.
- Реакции на команду включения нет. В этой ситуации, не работают поворотники и не срабатывают индикаторы на приборной панели. Кроме того, отсутствуют щелчки, которые должны быть при работе сигналов. Причин неисправности может быть несколько, и более подробно поговорим о них ниже.
Перестала работать аварийка Конечно, есть еще один самый чистый способ — отправить автомобиль на автосервис. Но тогда вам придется заплатить не только за датчик, но еще и за услуги мастеров. А это еще 2-3 стоимости датчика. Выбирать в любом случае вам.
Расположение
Расположение выключателя или лягушки во многом зависит не от марки и модели автомобиля, а от коробки передач, которой оснащается транспортное средство.
Если это механическая трансмиссия, тогда выключатель будет устанавливаться непосредственно на корпус КПП. Когда включается задняя передача, кнопка выключателя зажимается, перемыкаются контакты лягушки, и ток следует на задние фонари.
Что же касается автоматических коробок, то тут вместо стандартного концевика (лягушки) используется датчик положения селектора. В зависимости от изменения положения ручки коробки-автомат, передается соответствующий сигнал к блоку управления силовым агрегатом, а тот передает его на блок, управляющий светом.

Соединения системы подогрева передних сидений
Kia Spectra : Схема 19. Соединения системы пассивной безопасности (SRS)

Кондиционер
- Неисправность датчика
. Он же выключатель заднего хода, концевик или лягушка. Этот контроллер достаточно надежный и долговечный. Но все равно исключать вероятность его поломки нельзя. Особенно, если в машину приходился удар сзади, разбивалась фара и менялись фонари; - Сгоревшая лампочка
. А может все до безобразия банально. Лампочка со временем израсходовала свой ресурс, а потому уже не работает. Ее придется заменить; - Предохранитель
. Также сигнал может пропасть, если перегорит отвечающий за эти фонари датчик. Это плавкая вставка, которая выгорает при превышении допустимого напряжения. Поскольку этот предохранитель отвечает сразу за несколько приборов в большинстве авто, параллельно с задним ходом могут не гореть и другие лампы, подсветка приборной панели и пр.; - Обрыв в электроцепи
. Тут могут обломаться пины, перетереться провода и не только; - Окислы и коррозия
. Образуются в местах, где соединяются контакты цепи, ведущей к задним фонарям; - Контакт массы
. Если масса плохая, задний ход может не функционировать. Это также одна из причин, почему не горят стоп-сигналы на автомобиле.
Как проверить работу световых приборов своими руками? Спасибо за внимание! Ставьте Like, подписывайтесь, а также читайте про сделанную компьютерную диагностику
Не включается свет заднего хода
Gitarist Задержался
Всего сообщений: 17 Зарегистрирован: 22.08.2012 Профессия: офисный планктон Откуда: Осло, Норвегия Авто: Boxer, 2007, ТУРБОДИЗЕЛЬ PUMA 22DT 120 Л.С., L2H2
Может кто-то посоветует, где искать этот контакт на коробке или рычаге?
Или может предохранитель там какой есть на свет задней передачи?
vadign Ветром занесло Всего сообщений: 2 Зарегистрирован: 12.08.2012 Детей: 1 Откуда: Москва Авто: Фиат Дукато Возраст: 53
Привет всем вот вижу первому челу никто так и неответил в чем проблема а я второй такой же может быть осел по незнанию но все же интерестно былоб послушать людей кто сталкивался с такой проблемой.
Шут Врос
Всего сообщений: 882 Зарегистрирован: 09.01.2014 Профессия: Водитель Откуда: Россия Краснодар Авто: Пежо Боксер 2010 Маршрутка, Газ 33104 Валдай д 245,7 Зил ммз554 д 245, Возраст: 33
массу попробуй дополнительно кинуть,либо проверь контакты в разъему под пассажирской подножкой,сними пластик и увидишь шлейф проводов отвечающих за эллектрическую заднюю часть авто
Gitarist Задержался
Всего сообщений: 17 Зарегистрирован: 22.08.2012 Профессия: офисный планктон Откуда: Осло, Норвегия Авто: Boxer, 2007, ТУРБОДИЗЕЛЬ PUMA 22DT 120 Л.С., L2H2
Моя проблема очевидно в датчике на коробке передач.
Диагностировал так:
1. Снял патрубок воздушного фильтра и само ведро фильтра тоже вытащил, образовалось вот такое свободное пространство под капотом со стороны водителя

смех Врос
Всего сообщений: 464 Зарегистрирован: 11.03.2013 Детей: 2 Откуда: город над вольной Невой Авто: Разные Возраст: 35
Неправильная диагностика. Диагностика начинается так: 1. кидаешь принудительно массу. Если нет то 2. кидаешь принудительно плюс. А потом ищешь разрыв)
Реле и предохранитель прикуривателя
Фонари заднего хода У меня тоже не горит свет заднего хода, но датчик думаю в порядке, т.к. при включении заднего хода зуммер непристегнутого ремня отключается.
Предохранительный блок Kia Spectra (киа спектра): схема, расположение блоков
Предохранитель/реле/выключатель расположен на пути от источника питания к потребителю. В автомобиле это аккумулятор и узлы, работающие на электричестве (освещение, зажигание, механизмы, электроника).
Предохранители – часть электропроводки, причем, самая слабая. Когда в цепи произошло нарушение – замыкание, перегрузка – пострадает потребитель. Но на пути стоит «защитник», который сам сгорит, но предотвратит поломку узла.
Защитный элемент устанавливают в электросеть. Но у него есть номинал, предел – ампераж. Если распределитель 10А, он пропустит ток в 10 и меньше ампер. Но при повышении силы тока — перегорит, и этим убережет провода и узлы машины.
В автомобилях корейского производства для удобства пользователей предохраняющие элементы собраны в два блока. Расположение одного из них — под капотом, возле аккумулятора, напротив пассажирского кресла. Второй блок предохранителей в салоне Киа Спектра находится в отсеке под доской приборов, по правую руку водителя.
Блок реле и предохранителей под капотом
Находится рядом с воздушным фильтром и закрыт крышкой. На внутренней стороне крышки нанесено расположение и назначение предохранителей и реле.
Блок предохранителей и реле в салоне
Для доступа к монтажному блоку предохранителей, необходимо отжать фиксатор в указанном направлении и снять крышку. Цепи, защищаемые предохранителями, обозначены на внутренней стороне крышки.
Для получения доступа к блоку дополнительных реле, необходимо снять левую нижнюю облицовку панели приборов.

| Номер | Назначение |
| 1 | Потребители первой группы. |
| 2 | Система контроля АБС |
| 3 | Предохранители салона №34, 35. |
| 4 | Вторая группа потребителей |
| 5 | Подача напряжения на стартер |
| 6 | Питание элементов 15 и 20 |
| 7 | Реле вентилятора радиатора |
| 8 | Система отопления и кондиционер |
| 9 | Контрольное реле стартера |
| 10 | Вентилятор печки |
| 11 | Электромагнитная муфта компрессора кондиционера |
| 12 | Корректор света фар головной оптики |
| 13 | Аварийка |
| 14 | Штатный центральный замок |
| 15 | Модуль управления АБС |
| 16 | Сервоприводы потолочного люка. |
| 17 | Стеклоподъемники по правому борту. |
| 18 | Аналогично для левой стороны авто. |
| 19 | Стеклоомыватель заднего окна |
| 20 | Подсветка салона |
| 21 | Питание фар головной оптики |
| 22 | Катушки зажигания |
| 23/24 | Фары в режиме ближнего и дальнего света соответственно |
| 25 | Датчик концентрации кислорода до катализатора |
| 26 | Аналогично, после катализатора |
| 27 | Топливный насос |
| 28 | Питание электроники инжектора |
| 29 | Управление кондционером |
| 30 | Подогрев наружных зеркал |
| 31 | Автоматика включателей габаритов |
| 32 | Задние противотуманки |
| 33 | Передний ПТФ |
| 34/35 | Габариты по левому и правому борту соответственно. |
| 36/37 | Ближний и дальний свет фар головной оптики |
| 38 | Клаксон |
| 39 | Подогрев заднего стекла |
| 41/45 | Резерв |
Предохранитель противотуманных фар
Конструкция

18е. Соединения системы управления двигателем
- Отключить питание от аккумулятора. Это необходимо, чтобы не спровоцировать короткое замыкание.
- Снять крышку монтажного блока.
- Далее потребуется отключить все клеммы, видимые на поверхности.
- Следом отщелкиваются пластиковые фиксаторы панели и выкручиваются все винты.
- После этого нужно аккуратно потянуть модуль на себя и отключить колодки проводов, подключенные с тыльной стороны панели.
- После этого деталь снимается с машины целиком.
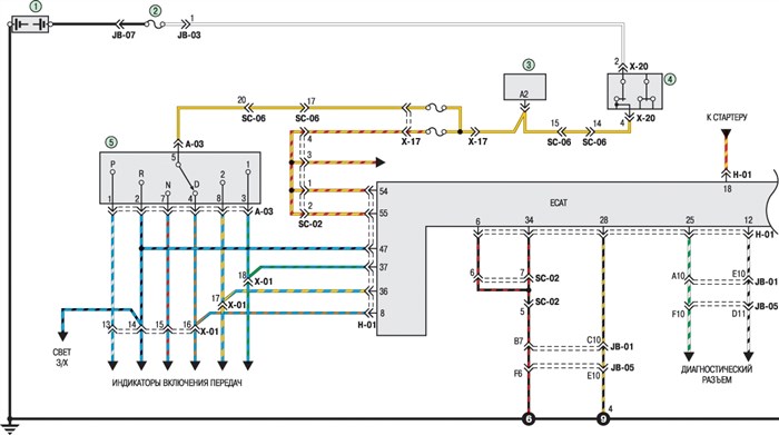
Предохранитель и реле звукового сигнала Схема 11. Соединения диагностических колодок (автомобили, оснащенные автоматической коробкой передач) Kia Spectra (Киа Спектра): 1 – аккумуляторная батарея; 2 – плавкая вставка BTN (30 А); 3 – предохранитель ECU B+ (10 А); 4 – соединительная колодка; 5 – колодка д.
