Ошибка Р1226 Тойота Двигатель 1cd Ftv. Система охлаждения
Код ошибки P0705 – неисправность входной цепи PRNDL датчика «A» диапазона трансмиссии
Ошибка P0705 в системе самодиагностики автомобилей марки «Тойота» означает неисправность в цепи датчика диапазона трансмиссии (вход PRNDL). Появление такого DTC дает владельцу транспортного средства понять, что нарушена работа датчика положения паркинга/нейтрали в сборе либо есть неполадки в жгуте проводов.
- Если поступает один сигнал, это означает, что рычаг переключения имеет положение P, N, NSW, R или D.
- Если сигналов поступает больше одного, это говорит, что датчик или связанные с ним устройства неисправны. В этом случае происходит включение ЕСМ контрольной лампы MIL, а код DTC P0705 сохраняется в памяти системы самодиагностики автомобиля.

Решение проблемы кода неисправности P0705: расшифровка, причины, сброс
Как устранить или сбросить код неисправности P0705

Устранение ошибки P2118 SFI 1AZ-FE TOYOTA RAV4 / ACA30, ACA33, ACA38 ALA30
- Замена жидкости ATF и фильтра.
- Заливка трансмиссионной жидкости до необходимого уровня.
- Промывка для очистки внутренних каналов трансмиссии.
- Тестирование, при необходимости замена неисправного датчика диапазона коробки передач.
- Устранение механических неисправностей внутри трансмиссии.
- Проверка разъемов, а также проводки.
- Прошивка или замена PCM.
Тойота»: коды ошибок и расшифровка неисправностей | Автофакты Переключатель давления: механик проверит провода заземления и определит, какой провод заземления относится к той или иной передаче. Для этого механику потребуется схема подключения датчика.
Функция работы в аварийном режиме

- С помощью портативного диагностического прибора считайте фиксированные параметры. В этих параметрах отражается состояние двигателя на момент обнаружения неисправности. При поиске неисправностей фиксированные параметры позволяют определить, двигался ли автомобиль в момент возникновения неисправности или нет, был ли прогрет двигатель, какой была топливовоздушная смесь (обедненной или обогащенной) и пр.
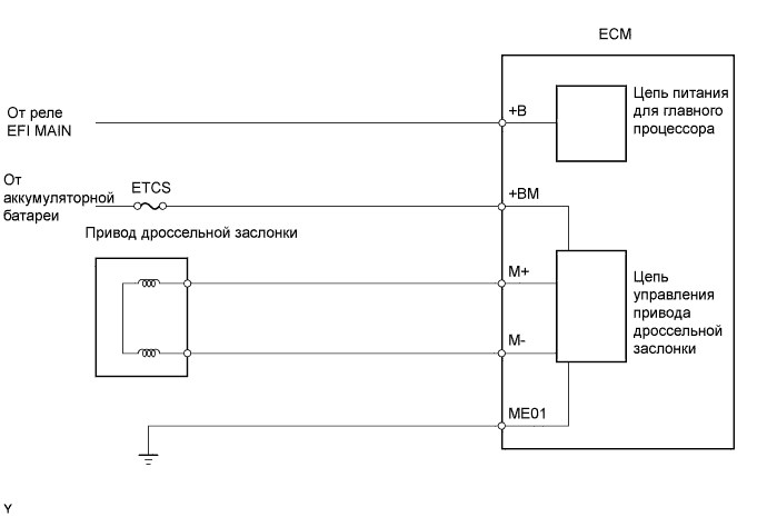
Подсоедините портативный диагностический прибор к DLC3.
Включите зажигание (IG) и включите портативный диагностический прибор.
Выберите следующие элементы меню: Powertrain / Engine and ECT / Data List / +BM voltage.
Считайте значение, отображенное на диагностическом приборе.
Извлеките предохранитель ETCS из блока реле № 1 моторного отсека.
Измерьте сопротивление предохранителя ETCS.
Установите на место предохранитель ETCS.
3.ПРОВЕРЬТЕ ЖГУТ ПРОВОДОВ И РАЗЪЕМ (ECM – ПРЕДОХРАНИТЕЛЬ ETCS, ПРЕДОХРАНИТЕЛЬ ETCS – АККУМУЛЯТОРНАЯ БАТАРЕЯ)
Проверьте разъем и жгут проводов и разъем между предохранителем ETCS и ECM.
Извлеките предохранитель ETCS из блока реле № 1 моторного отсека.
Номинальное сопротивление (проверьте на обрыв):
| Контакты для подключения диагностического прибора | Заданные условия |
| Предохранитель ETCS (2) — +BM (A12-3) | Менее 1 Ом |
Номинальное сопротивление (проверьте на короткое замыкание):
| Контакты для подключения диагностического прибора | Заданные условия |
| Предохранитель ETCS (2) или +BM (A12-3) — масса | 10 кОм или более |
Установите на место предохранитель ETCS.
Проверьте разъем и жгут проводов между предохранителем ETCS и положительным выводом аккумуляторной батареи.
Извлеките предохранитель ETCS из блока реле № 1 моторного отсека.
Отсоедините провод от положительного (+) вывода аккумуляторной батареи.
Номинальное сопротивление (проверьте на обрыв):
| Контакты для подключения диагностического прибора | Заданные условия |
| Положительный вывод аккумуляторной батареи – предохранитель ETCS (1) | Менее 1 Ом |
Номинальное сопротивление (проверьте на короткое замыкание):
| Контакты для подключения диагностического прибора | Заданные условия |
| Положительный вывод аккумуляторной батареи или предохранитель ETCS (1) – масса | 10 кОм или более |
| Контакты для подключения диагностического прибора | Заданные условия |
| Положительный вывод аккумуляторной батареи – предохранитель ETCS (1) | Менее 1 Ом |
Двигатель Toyota 1CD-FTV: модификации, характеристики, конструкция
Ошибка P0136 Toyota — неисправность цепи датчика кислорода Моторные заводы Toyota выпускали несколько вариантов силовых агрегатов:
Как устранить или сбросить код неисправности P2118
Некоторые предлагаемые шаги для устранения неполадок и исправления кода ошибки P2118:
- Диагностировать код в соответствии с проверочным тестом производителя, чтобы проверить сигнал.
- Очистить коды ошибок с памяти компьютера и провести тест-драйв автомобиля, чтобы выяснить, появляется ли код P2118 снова.
- С помощью педали акселератора, проконтролировать датчики положения дроссельной заслонки и работу привода.
- Осмотреть педаль акселератора, а также дроссельную заслонку на предмет заклинивания в открытом или частично открытом положении.
- Проверить жгут и соединение, визуально на наличие проблем, в случае необходимости устранить неполадки.
- Испытать привод в соответствии с заданным точечным тестом производителя.
- Если проблема не будет обнаружена, необходимо проверить и при необходимости заменить модуль управления двигателем (PCM).

Признаки неправильного положения распределительного вала
- Обрыв или короткое замыкание в цепи управления приводом дроссельной заслонки или связанных систем.
- Неисправный привод дроссельной заслонки из-за механического износа приводных шестерен.
- Чрезмерный нагар на дроссельной заслонке.
- Вышедший из строя датчик положения педали.
- Неисправный датчик положения дроссельной заслонки.
- Иногда причиной является неисправный модуль PCM.
Описание ошибки P0136 (Банк 1, Сенсор 1): Сброс ошибок (разъем DLC1):
Ошибки системы ABS

Считывание неисправностей (разъем DLC1):
- включить зажигание;
- установить перемычку между контактами ТС и E1;
- снять перемычку с контактов WA и WB;
- через 4 секунды посчитать количество загораний сигнальной лампы;
- убрать перемычку с контактов ТС и E1;
- установить перемычку на контакты WA и WB.
Сброс ошибок (разъем DLC1):
- включить зажигание;
- установить перемычку между контактами ТС и E1;
- нажать на педаль тормоза минимум 8 раз в трехсекундном интервале;
- сигнальная лампа должна мигать два раза в секунду (подтверждение нормально работающей системы);
- выключить зажигание;
- убрать перемычку с контактов ТС и E1;
- убедиться в том, что на панели приборов не горит лампочка ABS.
Считывание неисправностей (разъем DLC3):
- установить перемычку между контактами ТС и CG;
- включить зажигание;
- через 4 секунды посчитать количество загораний сигнальной лампы;
- убрать перемычку с контактов ТС и CG.
Сброс ошибок (разъем DLC3):
- установить перемычку между контактами ТС и CG;
- включить зажигание;
- нажать на педаль тормоза минимум 8 раз в трехсекундном интервале;
- индикатор должен мигать два раза в секунду (подтверждение исправности системы);
- убрать перемычку с контактов ТС и CG.
- 11 – повреждение цепи реле электромагнитного клапана;
- 12 – короткое замыкание в цепи реле клапана;
- 13 – повреждение цепи реле электрического насоса;
- 14 – замыкание в цепи реле насоса;
- 21/22/23/24 – обрыв либо замыкание в электромагнитном клапане одного из колес;
- 31/32/33/34 – некорректный сигнал датчика частоты вращения колеса (ПП- переднее правое / ПЛ – переднее левое / ЗП – заднее правое / ЗЛ – заднее левое) ;
- 41 – недопустимое напряжение АКБ;
- 43/44 – повреждение цепи датчика замедления;
- 49 – повреждение цепи выключателя стоп-сигналов;
- 51 – повреждение либо замыкание цепи питания насоса;
- 71/72/73/74 – некорректный сигнал датчика вращения колеса (ПП/ПЛ/ЗП/ЗЛ, соответственно);
- 75/76/77/78 – ошибка в коррекции сигнала от датчика частоты вращения колеса (ПП/ПЛ/ЗП/ЗЛ, соответственно);
- 79 – выход из строя датчика замедления;
- 98 / C1200 – поломка датчика разрежения вакуумного усилителя тормозов.
На каких автомобилях чаще встречается данная проблема
- 11 – все показатели в норме;
- 37 / Р1705 – неисправность датчика частоты вращения входного вала трансмиссии;
- 38 – неправильный сигнал датчика температуры жидкости коробки передач;
- 42 / Р0500 – датчик скорости либо датчик частоты вращения выходного вала;
- 44 – поломка датчика частоты вращения заднего выходного вала либо датчика скорости;
- 46 / Р1765 – выход из строя соленоида контроля давления гидравлического аккумулятора;
- 61 – неисправность датчика частоты вращения переднего выходного вала либо датчика скорости;
- 62 / Р0753 – проблемы с первым соленоидом;
- 63 / Р0758 – проблемы со вторым соленоидом;
- 64 / Р0773 – неисправность соленоида блокирующей муфты гидротрансформатора;
- 67 – некорректные показания датчика частоты вращения входного вала трансмиссии;
- 68 – поломка соленоида блокирующей муфты гидротрансформатора;
- 73 – неисправность соленоида блокирующей муфты межосевого дифференциала.
Топливная система Поэтому, когда PCM обнаруживает какое-либо отклонение в любом задействованном компоненте системы управления дроссельной заслонкой. Которое может повлиять на безопасную и надежную работу электронной системы управления дроссельной заслонкой, он установит код P2118.
Нарушения технологии диагностирования
Не все автомеханики добросовестно относятся к своим обязанностям, это объясняется низкой квалификацией или стремлением необоснованно увеличить стоимость ремонтных работ.
Начинать работы по устранению проблемы следует с наименее затратных мероприятий, довольно часто за счет только таких действий с минимальной стоимостью восстанавливается работа двигателя.
Чем иногда пренебрегают сотрудники СТО?
- Не выполняют визуальный осмотр состояния проводов и разъемов. В некоторых случаях простая очистка контактов возобновляет функциональность клапана.
- Не проверяют состояние масла. Ухудшение его первоначальных характеристик негативно влияет на работоспособность устройства.
- После первичных методов ремонта не очищают память компьютера и не делают тест-драйв перед повторным тестированием. Код ошибки не исчезает сразу, требуется время для перезаписи данных в блоке управления.
- Меняют клапан без оценки его ремонтопригодности.

Привод ГРМ
- проверка исправности клапана;
- прозвонка контактов;
- контроль показателей масла и состояния фильтра;
- проверка приводов распредвалов.
Что необходимо ремонтировать для исправления ошибки P0136 Toyota: Можно использовать жидкость для очистки карбюратора, так дольше и менее эффективно, зато полностью безопасно.
Применяемость
Toyota Corolla, девятое поколение (E120, E130)
Toyota Corolla Verso, второе поколение (E120)
Toyota Previa, второе поколение (XR30, XR40)
Силовой агрегат 1CD FTV представляет собой рядный 4-цилиндровый дизель, оснащенный системой подачи воздуха под давлением. Конструкция блока предусматривает поперечное расположение в моторном отсеке. Мотор приспособлен к работе с механическими и автоматическими трансмиссиями.

Блок цилиндров
Привод ГРМ
Привод газораспределительного механизма реализован посредством зубчатого ремня. Настройка натяжения автоматическая, выполняется при помощи гидравлического регулятора. Вращение от ременной передачи получает выпускной распредвал, вал впуска связан с ним шестеренной передачей. Привод ГРМ используется для вращения вала насоса высокого давления и масляной помпы.
На хвостовике выпускного вала расположен вакуумный насос. Изменение зазора между кулачком и толкателем клапана осуществляется при помощи шайб, которые устанавливаются на внешнюю поверхность толкателя.
Топливная система
Впуск и выпуск
Впускные каналы выполнены в виде съемного коллектора, имеющего воздуховоды различной длины. В конструкции имеется резонатор, снижающий шумность при работе двигателя. Дроссельный узел оснащен заслонкой с электрическим приводом, обеспечивающим точное регулирование потока.
Для понижения токсичности выхлопных газов применена система рециркуляции EGR, отводящая часть потока обратно на впуск, что позволяет снизить температуру в цилиндрах. Регулировка интенсивности выполняется шаговым электромотором, перемещающим шток клапана. Для снижения температуры отводимых выхлопных газов применяется охлаждение антифризом.
Для повышения давления в системе впуска используется турбокомпрессор. В конструкции узла отсутствует классический перепускной клапан для регулировки интенсивности наддува. Вместо него применены направляющие лопатки, которые изменяют скорость потока газов, подаваемых на рабочее колесо турбины. Лопатки размещены на специальном управляющем кольце, имеющем пневматический привод.
Система управления
В конструкции силового агрегата используется электронный блок управления двигателем. Педаль газа не имеет механической связи с системой подачи топлива. Вместо этого применены сенсоры и исполнительные электронные устройства. В конструкции мотора снижено число пневмоприводов, взамен используются шаговые электрические двигатели.
Для обеспечения работы электроники в бортовой сети установлен генератор с модернизированной схемой обмоток статора. Новая конструкция обеспечивает стабильное напряжение и пониженный уровень электромагнитных помех. В приводе ротора применена обгонная муфта, снижающая нагрузки на поликлиновый ремень привода.
Впрыск топлива в цилиндры выполняется в 2 шага — сначала подается небольшая порция топлива, а затем поступает основной объем. За счет этого удалось обеспечить равномерное увеличение давления в цилиндре, снизился шум при работе. В некоторых режимах основной объем топлива впрыскивается за несколько этапов.
| Тип двигателя | дизельный |
| Мощность | 90 — 116 л.с. (66 — 85 кВт) |
| Крутящий момент | 215 — 280 Н·м |
| Объем | 1995 куб. см. |
| Конструкция | рядный |
| Тип топлива | дизель |
| Топливная смесь | Непосредственный впрыск |
| Система питания | турбо/охладитель нагнетаемого воздуха |
| ГРМ | DOHC |
| Привод ГРМ | Цепь |
| Тип охлаждения | жидкостное |
| Компрессия | 17.8 — 18.6 : 1 |
| Диаметр цилиндра | 82.2 мм |
| Ход поршня | 94 мм |
| Количество цилиндров | 4 |
| Количество подшипников коленчатого вала | 5 |
| Количество клапанов | 16 |
Коды неисправностей АКПП Toyota
- Для оснащения седана Avensis производился вариант мотора, отличавшийся меньшей мощностью (90 л. с. при 4000 об/мин). В конструкции используется турбокомпрессор с упрощенной схемой управления, механический натяжитель ремня навесного оборудования и стандартный генератор.
- Силовой агрегат для кроссовера Rav-4, развивающий мощность 110-116 л. с. Мотор оснащен регулируемым нагнетателем и автоматическим изменением силы натяжения ременного привода.
- Версия для внутреннего рынка, встречается на автомобилях Previa. Особенностью конструкции является балансирный вал с приводом от шестеренной передачи.
Как устранить или сбросить код неисправности P2118 С помощью диагностического прибора, который может активировать привод дроссельной заслонки, включите привод. Если на приводе нет 12 вольт, отремонтируйте проводку от PCM или реле к приводу. Также в этом случае, возможно, неисправный PCM.
