Подсветка в Салоне Фольксвагена не Горят – Силовые предохранители
VW-Pointer Club
Я хочу сделать так, чтобы при открытии двери свет в салоне загорался, при закрытии — выключался. В какое положение нужно перевести регулировочную пипку в середине потолка?
_________________
Рассталась с любимой машиной 22.05.2012.
Pointer, 1.8л (Safety++), 2005г, темная вишенка
_________________
После тяжелой, непродолжительной болезни Тень (Ларин Сергей) покинул этот мир 1 ноября 2011 года. Похоронен в с. Аксиньино.
Господи, сделай меня таким, каким видит меня моя Собака!
Шадов
Это невозможно. Их много, а я одна. И пока таскаю вещи из дома в машину, успевают покрутить рычажки/пипки. А вроде давно уже не дети.
_________________
Рассталась с любимой машиной 22.05.2012.
Pointer, 1.8л (Safety++), 2005г, темная вишенка
Прикольно, у вас и пипки две! А у меня на «литровой» модели всего одна пипка : вперёд — вкл. свет, центр — выкл. свет, назад — вкл. когда открыты двери!
ПОДСКАЖИТЕ! ПЕРЕСТАЛ ЗАГОРАТЬСЯ СВЕТ В САЛОНЕ ПРИ ОТКРЫВАНИИ ДВЕРЕЙ. НИ ОДНО ПОЛОЖЕНИЕ ПЕРЕКЛЮЧАТЕЛЯ ЭФФЕКТА НЕ ДАЕТ. ЛАМПА ИСПРАВНА. ПО МОЕМУ РАЗУМЕНИЮ, ГДЕ-ТО ЕСТЬ БЛОК, КОТОРЫЕ РЕАГИРУЕТ НА ОТКРЫТИЕ ЛЮБОЙ ИЗ ЧЕТЫРЕХ ДВЕРЕЙ И БАГАЖНИКА. НО ВОТ ГДЕ ОН?
Андрей Семин
Не думаю, что для этого нужен какой-то «блок»
Но есть предохранитель, отвечающий за салонный свет! №6
_________________
У меня был VW Pointer 1.8/2005/Red/5-doors/up to 61.000km
Затем Skoda Yeti 1.8TSI DSG6 4×4 rev o 220hp (продана на 86.000 км)
А теперь VW Tiguan 2.0TSI DSG7 4×4 180 л.с. 2022 года
мне кажется дело в плафоне, надо его вытащить и посмотреть, там пластиковые и металлические детали, надо их проверить. Еслиб дело было в преде, то свет бы вообще не горел.
А кто сказал, что свет вообще горит. «Лампа исправна» ещё не значит, что фонарь светится.
Но ежели я неправильно понял вопрос — извиняйте.
_________________
У меня был VW Pointer 1.8/2005/Red/5-doors/up to 61.000km
Затем Skoda Yeti 1.8TSI DSG6 4×4 rev o 220hp (продана на 86.000 км)
А теперь VW Tiguan 2.0TSI DSG7 4×4 180 л.с. 2022 года
Такая же ерунда — презик исправен, лампа на вид целая, под плафоном следов пожара нет, света в салоне тоже нет при любом положении рычажков:-(
Подскажите кто знает, что можно ещё посмотреть?
_________________
Нет смысла летать со скоростью большей чем скорость света — ни кто не увидит, а значит не оценит (А. Энштейн)
ZZZ-nock
ни на одну дверь не реагирует?
————-
Снять плафон — проверить лампу тестером.
И сами контакты, куда ставится лампа.
И контакты подключенных к фонарику проводов.
Окисление контактов — Страшная Сила
_________________
После тяжелой, непродолжительной болезни Тень (Ларин Сергей) покинул этот мир 1 ноября 2011 года. Похоронен в с. Аксиньино.
Господи, сделай меня таким, каким видит меня моя Собака!

Не работает освещение салона Mitsubishi Outlander XL, Citroen C-Crosser и Peugeot 4007. Нет салонного света. Погас свет в салоне
ВАЗ 2114: не горит свет в салоне – ТОП 3 причины Когда причина, из-за которой осветительные приборы перестали правильно функционировать, определена, можно смело переходить к самостоятельному устранению поломки. Как правило, подобная работа не вызывает особых сложностей у начинающих водителей. Всё, что нужно – элементарные познания в принципе работы автомобильного электрооборудования.
Постоянная подсветка приборной панели VW Polo седан Страница 1 из 1 | Volkswagen New
2 (10 А) — подрулевые переключатели, стеклоомыватель. Если не работает омыватель лобового стекла, проверьте уровень жидкости в бычке омывателя, зимой проверьте не замёрзла ли жидкость в трубках системы и форсунках. Подайте питание от аккумулятора на помпу-насос, если не работает замените новым. Если работает, проверьте проводку, разъёмы, клеммы и правый подрулевой переключатель.
3 (5 А) — бензонасос, блок системы управления двигателем. Если топливный насос перестал качать бензин и не создаёт нужного давления в топливной системе для работы двигателя, проверьте кроме этого, предохранитель 36, силовой предохранитель SA3 и реле R4, R8. Если бензонасос при подключении напрямую к аккумулятору не работает или работает с перебоями, замените на новый.

Volkswagen Golf III | ОСВЕЩЕНИЕ САЛОНА | Фольксваген Гольф
Не Горит Подсветка Номера Поло Седан • Предохранители sa1-sa7 | ✨Мир света Будьте осторожны при устранении любых электрических проблем. Заменять предохранители и реле только при выключенном двигателе и выключенном зажигании.
Лампочка
Принцип срабатывания элементов света в салоне работает просто. Со всех сторон на стойках кузова предусмотрены концевики.

Эта маленькая деталь при открывании двери ведет к размыканию контакта, что дает сигнал к включению освещения. При открытии двери на 2114 включается только основной плафон. Частое открытие двери и постоянное срабатывание лампочки ведет к ее постепенному износу.
Как только ресурс лампочки заканчивается – она перегорает. Проверку целостности лампочки можно провести самостоятельно. Достаточно поддеть пластиковую крышку основного источника света и внутренности осветителя будут перед Вашими глазами.
Стандартный вариант лампы – AVS Vegas 12V. При желании вместо стандартной лампочки накаливания можно внедрить светодиодные элементы. На фото выше представлен как раз этот вариант.
В водительском фонаре освещения предусмотрена немного другая форма лампочки с цоколем – r5w мощностью 5 Ватт.
Меняется она немного сложнее. Необходимо с помощью отвертки поддеть корпус «рыбьего глаза», после чего снять колодку проводов. Далее нажимаем на фиксаторы по обе стороны корпуса и вынимаем цоколь r5w.
Если после процедуры замены не работает освещение салона ВАЗ 2114 – проверяйте проводку.
VW-Pointer Club • Просмотр темы — Свет в салоне
Что делать, если не горит плафон освещения салона на Лада Гранта? -Для выключения режима DOOR (двери) следует нажать кнопку DOOR
ОСВЕЩЕНИЕ САЛОНА
• Если все входы закрыты, при запирании автомобиля с использованием передатчика или электронного ключа все плафоны освещения салона автоматически выключатся в течение нескольких секунд.
• Если после останова двигателя не совершать никаких управляющих воздействий, освещение выключится через 20 мин.
Лампа направленного освещения

Включение и выключение лампы направленного освещения осуществляется нажатием на рассеиватель (1) или кнопкой (1).
Лампа направленного освещения и плафон освещения салона остаются постоянно включенными.
— Для выключения режима ROOM (салон) следует нажать кнопку ROOM (2) еще раз (неутопленное состояние).
-Лампа направленного освещения и плафон освещения салона включаются при открытии двери. Лампы погаснут примерно через 30 секунд.
— При разблокировании дверей с помощью трансмиттера или электронного ключа загораются лампа направленного освещения и лампа освещения салона и остаются включенными примерно 30 секунд, если не будут открыты двери.
— Лампа направленного освещения и плафон освещения салона останутся включенными приблизительно 20 минут, если дверь будет открыта при нахождении выключателя зажигания в положении LOCK/OFF или АСС.
-Лампа направленного освещения и плафон освещения салона останутся включенными постоянно, если дверь будет открыта при включенном зажигании.
-Лампа направленного освещения и плафон освещения салона немедленно выключаются после включения зажигания или блокирования всех дверей.
-Для выключения режима DOOR (двери) следует нажать кнопку DOOR
• Если лампа включена нажатием на рассеиватель (1), лампа останется включенной, даже если не выбраны режимы DOOR (двери) или ROOM (салон) (неутопленное состояние кнопки).
• Если одновременно нажаты кнопки ROOM (салон) и DOOR (двери), то лампа направленного освещения и плафон освещения салона останутся включенными постоянно (выбран режим ROOM (салон)).
Нажмите эту кнопку для включения или выключения лампы.
Если передняя лампа направленного освещения включена выключателем передней лампы направленного освещения, то также включится плафон освещения салона.
Фонарь освещения багажника
Фонарь освещения багажника включается при открытии двери задка. Фонарь освещения багажника горит постоянно, пока открыта дверь задка.
Для предотвращения разряда аккумуляторной батареи необходимо закрывать дверь задка, если в ее открытии нет необходимости.
Использование переносной лампы (при наличии)
ВАЗ 2114: не горит свет в салоне – ТОП 3 причины
Рассталась с любимой машиной 22.05.2012.
Pointer, 1.8л (Safety++), 2005г, темная вишенка
Кто сейчас на конференции

Причины неисправности
Блок предохранителей Я хочу сделать так, чтобы при открытии двери свет в салоне загорался, при закрытии — выключался. В какое положение нужно перевести регулировочную пипку в середине потолка?
Причина №1: Перегоревшая лампочка
это очень просто и элементарно, но некоторые автовладельцы начинают искать «изъян» в недрах электросистемы. Не делайте этого, просто проверьте лампу. Вы можете просто посмотреть ветку или вызвать тестировщика. Последний вариант поможет гораздо точнее определить перегоревшую лампочку: иногда перегорает не спираль, а контакт внутри цоколя, и с виду все выглядит неплохо.
Вторая причина того, что внутреннее освещение может не работать, — перегоревший предохранитель. Практически всегда внутреннее освещение «делит» предохранитель с другими устройствами. Поэтому, если, например, часы или магнитола перестают работать вместе со светом, вероятность сгорания предохранителя чрезвычайно высока.
При этом предохранитель не всегда перегорает из-за «короткого замыкания». Его свитер может быть только старым (потрепанным) или сшитым из некачественного материала.

Лампочка
Не работает свет в салоне Сообщение от Механик
1 пользователь сказал cпасибо Балу за это полезное сообщение:
Модератор Клуба Мое имя Алексей Мой город Мухосранск Мой авто Range Rover Регистрация 27.02.2009 Сообщений 4,146 Поблагодарил(а) 5,639 Получено благодарностей: 2,833 (сообщений: 1,256).
«Ежели кто впредь будет чинить, какую помеху строительному делу, вешать того без рассмотрения персоны»
Указ Петра I от декабря 9 дня 1708 года
Новенький Мое имя Александр Мой город Моск.обл Мой авто Peugeot 4007 2.2 HDi MT Регистрация 30.05.2011 Сообщений 43 Поблагодарил(а) 1 Получено благодарностей: 3 (сообщений: 3).
Было у меня почти такое.Только неадекватно работал передний плафон освещения при включеном режиме.Т.Е.когда на улице прохладно и салон не прогретый ,то при открыти дверей свет загорается,а когда салон пргретый,то не горит.Несколько раз ездил(по гарантии)К ОД в Химках.Там и сделали.Поменяли по гарантии блок комфорта.
Ищущий ответы Мое имя Олег Мой город Москва Мой авто Citroen C-Crosser 2.4 CVT Регистрация 17.01.2012 Сообщений 3 Поблагодарил(а) 2 Получено благодарностей: 0 (сообщений: 0).
Старожил Клуба Мое имя Николай Мой город Нефтеюганск Мой авто Peugeot 4007 2.4 MT Год выпуска (MY) 2011 Регистрация 17.06.2011 Сообщений 4,582 Поблагодарил(а) 3,867 Получено благодарностей: 1,681 (сообщений: 1,109).
Сообщение от Ngelo
Кстати пока был в поиске обнаружил что не работает также розетка в подлокотнике и сигналка непристегнутого ремня водителя (видимо отключали чтоб не пищала). это как то взаимосвязано? отключение сигналки могло привести к пропаже света?
Без машины — болят ноги, с машиной — голова.
Хамить не рекомендую,может боком выйти.
Не принимайте жизнь всерьёз — это временное явление.
Местный Мое имя Анатолий Мой город Тимашевск Мой авто Peugeot 4007 2.4 CVT Год выпуска (MY) 2008 Регистрация 21.12.2011 Сообщений 170 Поблагодарил(а) 46 Получено благодарностей: 80 (сообщений: 43).
Сообщение от Колян 86
В Калуге ставят только тормозные суппорты и прикручивают колеса. И замазывают полученные при транспортировке повреждения.
Старожил Клуба Мое имя Николай Мой город Нефтеюганск Мой авто Peugeot 4007 2.4 MT Год выпуска (MY) 2011 Регистрация 17.06.2011 Сообщений 4,582 Поблагодарил(а) 3,867 Получено благодарностей: 1,681 (сообщений: 1,109).
Сообщение от Механик
В Калуге ставят только тормозные суппорты и прикручивают колеса. И замазывают полученные при транспортировке повреждения.
Уже обсуждали, что машины собираются на Калуге(кузов везут в одном контейнере, двигло в другом, ходовку в третьем,) а на место все в Калуге лепят.
Без машины — болят ноги, с машиной — голова.
Хамить не рекомендую,может боком выйти.
Не принимайте жизнь всерьёз — это временное явление.

Блок реле Лада Гранта
Правильная иллюминация F18 (15 А) — подогрев передних сидений. Если не работает, но предохранитель исправен, проверьте выключатель отопителя на приборной панели.
Повреждение проводки
Последняя и самая нежелательная причина неисправности – обрыв проводки выключателя. При отсутствии видимых повреждений проводки найти место обрыва без «прозвонки» сложно. Если обрыв удалось найти – следует полностью заменить провод, а не пытаться склеить его изолентой, т.к. укорачивание проводов ведет к изменению сопротивления.
Также причиной некорректного срабатывания бывает окисление контактов внутри корпуса осветителя. Достаточно зачистить и вернуть все пластины в заводское положение. Для проведения замены проводки освещения в сборе понадобится схема подключения салонного света. Ниже представим схему в подробностях.

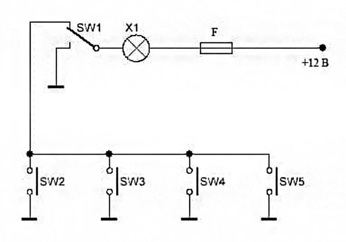
Для полного разбора схемы разберем обозначения:
Проверка неисправности должна производиться с изучения предохранителя и лампочек. Лишь после этого стоит искать причину проблемы в концевиках и провдке.
Причина №1: Перегоревшая лампочка
Причина №4: Перебитый провод

Причина №1: Перегоревшая лампочка
- центральная точка на потолке или точки на боковых центральных стойках – свет распространяется по всему салону и является основным внутренним источником для пассажиров или водителя;
- область для ног – присутствует в автомобилях для переднего пассажира и водителя;
- бардачок – освещение помогает быстро обнаружить небольшие вещи или документы;
- зеркало под козырьком от солнца – актуально для макияжа или для проверки осмотра лица;
- зона дверной кучки или кнопки – подсветка помогает быстро закрыть/открыть дверь;
- багажный отсек – иллюминация здесь помогает найти нужные вещи или инструменты, которые здесь должны находиться;
- боковые дверные фонари – располагаются в дверях, загораются после открытия и горят до плотного закрытия дверей.
Причина №2: Перегоревший предохранитель 2. Используйте аккумуляторные батарейки с рекомендованными характеристиками.
