Не Горит Подсветка Багажника Ваз 2115. Не работают габариты на ваз 2115
Не горит подсветка панели приборов на ваз 2115
Маловероятно то, что произойдет одновременный сбой в работе датчиков, от которых напрямую зависит работа ПП. Если учитывать, что они работают не прямо с приборами, а посредством ЭБУ (электронный блок управления), то, соответственно, сбои в работе приведут к тому, что ПП перестанет работать. К тому же стоит отметить, что двигатель тоже прекратит свою работу.
Встречаются такие ситуации, когда перестают одновременно работать все приборы на панели. В этом случае водитель авто должен проверить состояние предохранителя F16, который имеет мощность 16 А.
Если в результате проверки клеммы показывают напряжение +12 В, то это говорит о том, что ПП не работает в результате плохого контакта провода, который идет на массу авто. В случае если на клеммах не отражается напряжение +12 В, то необходимо разбирать монтажный блок и искать причину неполадки.

Не работает свет в салоне ВАЗ-2115 возможные причины
Первое, что необходимо проверить – это лампа освещения, поскольку именно её перегорание могу стать причинно того, что пропал свет в салоне автомобиля.
НЕ РАБОТАЕТ ПОДСВЕТКА

Не горит подсветка панели приборов на ваз 2115 » АвтоИстория »: интернет-журнал про автомобили
- Замена панели приборов осуществляется строго в соответствии с распиновкой.
- Первоначально нужно отсоединить кабель, идущий к прикуривателю.
- Произвести демонтаж контрольного щитка. Необходимо, выкрутить 2 самореза, располагающихся по краям, сверху и снизу панели приборов.
- Следующим этапом будет демонтаж накладки. Сложность состоит в том, что она удерживается фиксаторами, поэтому ее нужно чуть раскачать.
- После этого отключаются все провода, идущие к панели приборов (разъем световой сигнализации, часов, спидометра, датчика уровня горючего).
- Самым последним действием производят демонтаж контрольного щитка. Откручиваются все болты, которые ее фиксируют. На данном этапе стоит очень осторожно совершать действия, так как реально повредить проводку.
Не работают стопы автомобиля ВАЗ 2114 (2113) Для того чтобы её достать придётся снять крышку плафона. После этого необходимо проверить есть ли нить раскаливания, и вставить лампу в контрольно-измерительный прибор или просто подключить к АКБ. Если лампа загорелась, то причина неисправности не в ней.
Как устроено освещение салона
Все электрическое освещение салона можно условно поделить на следующие составляющие компоненты:
- подсветка приборной панели (о ней, а также о ее неисправностях, мы уже говорили ранее, поэтому сегодня на ней подробно останавливаться не будем);
- главный плафон освещения салона ваз 2114;
- лампы для индивидуальной подсветки;
- подсветка бардачков и прикуривателя.
Самым главным и основным источником света из всех перечисленных выше элементов является именно плафон ваз 2114. Он смонтирован на потолке салона в передней его части и включается при помощи концевых выключателей, расположенных во всех дверях автомобиля. При открытии даже одной двери лампочка моментально загорается, а при всех закрытых дверях — выключается.
Кроме этого, возможно и принудительное включение/отключение плафона при помощи специальных кнопок, расположенных на боковых стойках.

Не горят габариты ваз 2115 задние — в чем причина, как починить
- Плафон освещения салона;
- Лампы индивидуального света;
- Подсветка приборов на панели управления;
- Свет в бардачке, прикуривателе и отдельные лампочки для некоторых кнопок и переключателей.
Не работает свет в салоне ВАЗ-2115 возможные причины В первую очередь проверяем наличие напряжения на наконечнике красного провода в колодках задних фонарей чтобы понять неисправность в фонарях или цепи. После чего проверяем наличие напряжение на наконечнике бело-красного провода выключателя стоп-сигналов под педалью тормоза.
«Самара-2» ВАЗ-2114 покидает конвейер АВТОВАЗа
В декабре года АВТОВАЗ окончательно распрощается с семейством «Самара-2» и второй линией главного конвейера — об этом сообщают собственные источники сайта Carobka.ru на Волжском автозаводе.
Lada Samara, несмотря на возраст, продолжает пользоваться популярностью: в октябре года купить ВАЗ-2114 пожелали 3 661 человек. Минимальная цена на ВАЗ-2114 составляет 297 000 рублей.
Напомним, первая линия конвейера в Тольятти ранее была переоборудована под выпуск автомобилей на платформе Renault Logan (так называемая «B0») сейчас там производится универсал Lada Largus («перелицованная» Dacia Logan MCV), а также ведётся партнёрская сборка седана Nissan Almera. Судя по всему, с года на этой же линии будут собирать и модели Renault — седан Logan и хэтчбек Sandero.
Напомним, что ВАЗ-2114 является последним представителем семейства «Самара-2», которое ведёт свою родословную от автомобиля ВАЗ-2108, появившегося в 1984 году. В конце года АВТОВАЗ прекратил выпуск седана Lada Samara 2115. а в конце сентября года остановил производство трёхдверного хэтбчека Lada Samara 2113 .

Не работает свет в салоне
- Берём лампочку на 12 вольт и подсоединяем к ней два провода, соответственно на + и на -.
- Вынимаем перегоревший предохранитель и на места его контактов с блоком подсоединяем провода от лампочки. Если лампа горит, то где то замыкание.
Не горит свет в салоне — как найти неисправность Рано или поздно большинство владельцев автомобилей сталкивается с тем, что перестает работать освещение салона. Рассмотрим причины этой неисправности и разберемся, что делать в том или ином случае.
Не работают стопы (стоп-сигналы) ВАЗ 2114 (2113), причины неисправности
Не работать может либо один стоп-сигнал, либо сразу два.
1. Перегорела лампа стоп-сигнала в заднем фонаре.
Чаще всего перегорает всего одна лампа, но бывает, что и две.

Лампа стоп-сигнала (стопа) в заднем фонаре автомобиля ВАЗ 2114 (2113)
В таком случае придется заменить лампу новой или заведомо исправной. Для стоп-сигнала применяется лампа P21W. Аналогичные лампы указателя поворота, света заднего хода, противотуманного света в этом же заднем фонаре. Их можно использовать для проверки лампы стопа путем замены.
2. Окислились контакты в патроне лампы стопа.
При этом возникает «обрыв» в электрической цепи лампы. Чаще всего, в таком случае, не будет работать один стоп-сигнал, а другой будет гореть.
Патрон и контакты лампы стоп-сигнала в заднем фонаре ВАЗ 2114, 2113
Для восстановления контакта необходимо несколько раз повернуть лампочку в патроне, либо извлечь ее и зачистить окислившиеся контакты мелкозернистой наждачной бумагой.
3. Неисправна колодка проводов на задний фонарь (фишка).
Либо ненадежно закреплена, либо окислились контакты. В любом случае в электрической цепи будет «обрыв».
Необходимо несколько раз снять-надеть колодку на выводы платы заднего фонаря для восстановления окислившегося или ненадежного контакта. В последствии можно зачистить выводы на плате и наконечники проводов в соединительной колодке.
4. Сгорел предохранитель в монтажном блоке.
Если предохранитель сгорел, не будут гореть обе лампы стоп сигналов в задних фонарях.
Электрическую цепь включения стоп-сигналов автомобиля ВАЗ 2114 (2113) защищает предохранитель F3 (7,5А) в монтажном блоке предохранителей и реле. Проверьте целостность предохранителя. В случае неисправности замените новым. Если предохранитель опять сгорел, следует искать короткое замыкание в цепи. По схеме подключения показанной ниже.
5. Осыпалась дорожка в плате заднего фонаря.
Электрическая цепь в результате будет разорвана («обрыв»), лампа стоп-сигнала не будет гореть.
Дорожки платы заднего фонаря на стоп-сигнал
Необходимо снять плату заднего фонаря, где не горит стоп и осмотреть ее на предмет повреждения дорожек. Если визуально обнаружить место повреждения не удается следует «прозвонить» дорожки мультиметром или контрольной лампой. К поврежденной дорожке припаивается проводок и плата продолжает функционировать дальше. Подробности в статье «Проверка платы заднего фонаря».
Почему не горит ближний свет фар автомобиля ВАЗ 2114 (2115, 2113)? Причины.
Повреждена плата Как поступить в данной ситуации, где нужно искать причину неисправности? Запасные лампочки имелись в наличии, предохранители отсутствовали. А может быть причина и не в предохранителях, а в разрыве либо в отсутствии контакта? Сразу в общем-то и не сообразить, — с чего нужно начинать. То-есть, мы задались единственной мыслью: Как же в этом случае определить неисправность?
Почему не горит ближний свет фар автомобиля ВАЗ 2114 (2115, 2113)? Причины.
1. Перегорела лампа ближнего-дальнего света в блок-фаре.

Лампа Н4 (АК12-60+55), галогеновая дальнего-ближнего света передней фары ВАЗ 2114 (2115, 2113)
В ряде случаев перегорает одна лампа, иногда сразу две. Чаще всего в лампах выходит из строя нить, отвечающая за ближний свет. На внешний вид лампа может быть в полном порядке – все нити целы, но работать не будет. Поэтому для выявления неисправности проще всего заменить лампу рабочей (например, с соседней блок-фары) и посмотреть: работает или нет.
Помимо этого стоит выяснить причину перегорания лампы. Возможно трещина в стекле блок-фары через которую проникает влага или автомобиль эксплуатируется без защитных колпаков на задней части фар, или фишка фары почти свалилась.
2. Окислились контакты в соединительной колодке блок-фары.
Несколько раз оденьте — снимите соединительную проводов колодку (фишку) на штекеры ламп ближнего — дальнего света. В последствии стоит зачистить и обжать в них контакты.
3. Нет «массы» к лампе в фаре.
Массовый провод от соединительной колодки каждой из блок-фар крепится рядом с ней к кузову автомобиля. Отсоедините наконечник этого провода (черного) от кузова и зачистите его. Также зачистите место крепления.
4. Перегорели предохранители в монтажном блоке.
В монтажном блоке 2114 и 2115 с ножничными предохранителями ближний свет:
Замените предохранитель исправным. В дальнейшем найдите причину его перегорания (возможно короткое замыкание).
5. Неисправно реле ближнего или дальнего света.
Предохранители и реле отвечающие за ближний свет фар
В монтажном блоке 2114 (2115) за ближний свет фар отвечает реле К9. При срабатывании реле должен быть слышен щелчок. Если его нет, то либо к реле не подходит ток, либо оно само неисправно.
Замените реле заведомо исправным. Для проверки можно взять аналогичное из этого же монтажного блока (реле 113.3747 или 113.3747-10).
Или пробуем перемкнуть отрезком провода, при включенном зажигании и нажатой кнопки переключателя, выводы в монтажном блоке под ножки реле «30» (общий плюс) и «87» (выход на ближний свет фар). Ближний свет загорелся — реле под замену. Нет, ищем причину дальше.
6. Неисправен подрулевой переключатель («гитара»).
За дальний и ближний свет фар отвечает левый подрулевой переключатель. Поэтому снимаем кожух рулевой колонки для доступа к его электрической части. Снимаем с него соединительную колодку, также сжав усики извлекаем корпус переключателя с рычагом.
Чиним свет и знакомимся с электрикой
Прежде, чем выкидывать старый концевик, его можно попробовать отрегулировать. Очень часто причиной неисправности может являться недостаточная сила нажатия или плохой контакт, в результате чего выключатель просто не срабатывает.
Плафон

Что делать, если не работает панель приборов ВАЗ-2115
Замена ламп подсветки
Многие опытные автомобилисты советуют сразу же переделывать освещение салона с обычного на светодиодное. Это поможет забыть о проблеме перегоревших лампочек насовсем.
Повреждение проводки
Последняя и самая нежелательная причина неисправности – обрыв проводки выключателя. При отсутствии видимых повреждений проводки найти место обрыва без «прозвонки» сложно. Если обрыв удалось найти – следует полностью заменить провод, а не пытаться склеить его изолентой, т.к. укорачивание проводов ведет к изменению сопротивления.
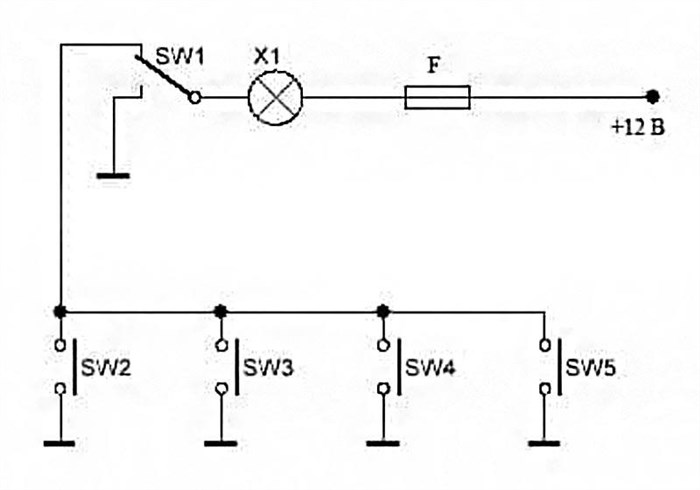
Также причиной некорректного срабатывания бывает окисление контактов внутри корпуса осветителя. Достаточно зачистить и вернуть все пластины в заводское положение. Для проведения замены проводки освещения в сборе понадобится схема подключения салонного света. Ниже представим схему в подробностях.

Для полного разбора схемы разберем обозначения:
Проверка неисправности должна производиться с изучения предохранителя и лампочек. Лишь после этого стоит искать причину проблемы в концевиках и провдке.
НАЧАЛЬНАЯ ПРОВЕРКА
- центральная точка на потолке или точки на боковых центральных стойках – свет распространяется по всему салону и является основным внутренним источником для пассажиров или водителя;
- область для ног – присутствует в автомобилях для переднего пассажира и водителя;
- бардачок – освещение помогает быстро обнаружить небольшие вещи или документы;
- зеркало под козырьком от солнца – актуально для макияжа или для проверки осмотра лица;
- зона дверной кучки или кнопки – подсветка помогает быстро закрыть/открыть дверь;
- багажный отсек – иллюминация здесь помогает найти нужные вещи или инструменты, которые здесь должны находиться;
- боковые дверные фонари – располагаются в дверях, загораются после открытия и горят до плотного закрытия дверей.
Установка освещения в багажник Перед тем, как починить приборную панель, нужно решить, на какие лампы вы будете менять те, что вышли из строя. Можно использовать тот же вариант, что был использован производителем, но специалисты рекомендуют использовать более современные модели. Они не только функциональны, но способны эффектно преобразить панель. Итак, на выбор:
