Ошибка 14 Тойота Карина 7a fe не Заводится – Загрязнение контактов
Ошибка P0132 — что значит, симптомы, причины, диагностика, устранение
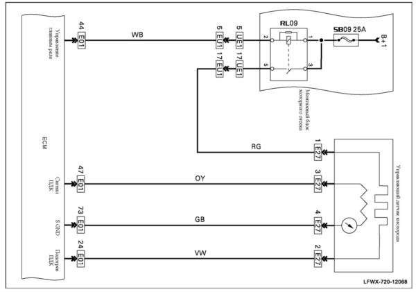
Когда блок управления двигателем (ЭБУ) регистрирует код неисправности P0132, это указывает на наличие некоторой проблемы с датчиком кислорода. Если быть более точным, то, когда ЭБУ отслеживает, что напряжение кислородного датчика превышает 450 милливольт в течение более двадцати секунд, срабатывает код неисправности P0132.
Основная задача датчика O2 состоит в том, чтобы контролировать количество кислорода в выхлопных газах. Эта информация необходима для обеспечения оптимальной работы двигателя и минимального загрязнения. Любая проблема с кислородным датчиком нарушает рабочие характеристики автомобиля и вызывает код неисправности P0132.

Ошибка 14 двигателя toyota, что скрывает код 14 и как ведет себя двигатель
Первым делом

Датчик коленвала карина 5а фе не в трамблере
- Неисправность датчика кислорода. Наиболее распространенной причиной является неисправность самого датчика. Постоянно подверженный воздействию выхлопных газов и температуры, датчик O2 имеет типичный срок службы менее 5 лет.
- Неисправность электрической цепи. Поскольку провода подвергаются воздействию окружающей среды, жгуты, разъёмы и сам датчик могут быть физически повреждены в результате внешних воздействий. Вода и коррозия также являются распространенными причинами.
Признаки неисправности датчика коленвала. Как проверить ДПКВ Наибольшее распространение среди автомобилистов получили мультимарочные сканеры. Они просты в работе и дают достаточную информацию для большинства ситуаций. Сканеры этой группы унифицированы для нескольких марок авто. Поэтому при покупке необходимо проверить их способность считывать коды ошибок Королла.
«Борьба» с ошибкой 14
Есть ряд способов установки неработающей катушки:
- если двигатель троит, то отключая коннекторы катушек, можно заметить либо снижение оборотов (деталь целая), либо они останутся прежними (дефектная деталь),
- на снятых катушках промерить сопротивления обмоток, обычно неисправные имеют резко отличное сопротивление. А свеча, работающая в паре с испорченной катушкой, обычно мокрая и черная от нагара,
- иногда самодиагностика авто может показать, какой цилиндр не работает при горящем индикаторе «Check engine».
В автоцентрах определяют неисправные детали с помощью мотор-сканеров, анализирующих электронику автомобилей.
Троение (пропуск зажигания) может быть связан с наконечниками катушек. В этом случае их надо сразу заменить. Иначе может даже пробить управляющий транзистор или замкнуть вторичная обмотка.
Сама неисправность катушки чаще связана с ее первичной обмоткой, что требует ее замены. При этом надо обеспечить полную изоляцию проводов.

Причины, расшифровка и сброс ошибки на Toyota Corolla
- Возьмите канцелярскую скрепку или кусочек проволоки такой же длины.
- Выключите зажигание, а также все энерго потребляющие приборы.
- Откройте капот и снимите крышечку с коробки блока разъемов «Diagnostic». На внутренней стороне крышечки находится маркировка разъемов. По этой маркировке найдите разъемы TE1 и E1.
- Согните скрепку или проволоку в П образную форму таким образом, чтобы ее можно было вставить в гнезда TE1 и E1. Когда это будет готово, вставьте проволоку в эти гнезда и тем самым замкните их.
- Включите зажигание и наблюдайте за индикатором «CHECK».
Самодиагностика Тойота Королла: коды ошибок Коды неисправностей системы 4WS (Toyota)

Коды неисправностей SRS (Toyota)
Коды самодиагностики считываются аналогично прочим, по числу вспышек индикатора «SRS» при замкнутых выводах «TC»-«E1» разъема DLC1 под капотом или «TC»-«CG» разъема DLC3 под приборной панелью и включенном зажигании.
Стирание кодов должно происходить при выключении зажигание.
Если коды сохраняются, необходимо провести процедуру очистки:
— подсоединить два провода к выводам «TC» и «AB»
— включить зажигание и подождать не менее 6 секунд
— поочередно, раз в секунду, замыкать на массу выводы «TC» и «AB» (пауза между замыканием — менее 0,2 секунды)
— после третьего замыкания вывода «TC» индикатор должен замигать с высокой частотой — значит коды стерты.
Коды неисправностей системы 4WS (Toyota)
Коды самодиагностики считываются по числу вспышек индикатора «4WS» при замкнутых выводах «TC»-«E1» разъема DLC1 под капотом и включенном зажигании.
Коды неисправностей двигателей и методы их стирания
Устранение неисправностей

Коды двузначной системы
- Если чек моргает более 11 раз беспрерывно с интервалом в 0,5 с, то ваша Тойота Королла использует двузначный код, типа 09. Такой вариант означает, что в памяти компьютера нету зафиксированных ошибок и вы можете смело вынимать перемычки, заводить авто и ехать куда планировали.
- Когда же лампа ошибки мерцает с интервалом 4,5 с, то ваше авто пользуется кодами типа 10, но серьезного ремонта транспортное средство не требует.
- Если «сheck-еngine» моргает по-иному, к примеру: мерцание — пауза — мерцание — длинная пауза — мерцание, то код ошибки уже в памяти бортового компьютера и его значение – 21. Или такой пример моргания чека: мерцание — длинная пауза – мерцание – пауза — мерцание – это код ошибки под номером 12.
Как провести диагностику двигателя? В автоцентрах определяют неисправные детали с помощью мотор-сканеров, анализирующих электронику автомобилей.
Устранение неисправностей
Чистка от грязи

Грязный датчик ПКВ
Обрыв контакта
Еще одной распространенной неполадкой бывает обрыв провода. Он случается часто перед фишкой контакта. В этом месте провода изгибаются, что приводит к постепенному преломлению. Визуально нарушение целостности проводника может быть незаметно, поскольку наружная изоляция остается целой.
Для устранения неполадки снимите разъем и потяните контактные штыри легонько на себя. Оборванный выйдет наружу и останется у вас в руках.
Ремонт потребует зачистить изоляцию и связать оголенные концы. Затем участок изолируется (можно использовать кембрик или изоленту). Но эта мера временная и потребует последующей пайки.
Загрязнение контактов
Хотя разъем защищен резиновым уплотнителем, он постепенно теряет эластичность и герметичность. Из‐за этого внутрь проникает влага, пыль. Начинается процесс коррозии. Контакты окисляются и цепь прерывается. В результате исправный ДПКВ перестает определять состояние коленвала и мотор глохнет.
Для решения проблемы попробуйте почистить штифты контактов. Они находятся в углублениях и добраться до них можно тонким надфилем или наждачной бумагой, свернутой в трубочку. Выдуйте собравшуюся внутри пыль, восстановите соединение и попытайтесь запустить мотор.
Связанные проблемы
Если ДПКВ «прозванивается» и нет нарушения в целостности контактов, поломка может быть связана с отсутствующими зубьями на маховике. Электродатчик просто «запутывает» ЭБУ, срабатывая на дополнительные образовавшиеся «метки». Это сможет определить только механик на СТО. Для ремонта понадобится замена венца маховика.
ДМРВ (определяет массовый расход воздуха) тоже влияет на работу ДПКВ и вызывает отклонения в показаниях. Проблема диагностируется в сервисе.
Изгиб маховика «восьмёркой» способен ввести электродатчик коленвала «в заблуждение», и здесь потребуется снятие коробки и замена деформированной детали.
Обрыв контакта
- загорание на приборной панели значка Check Engine;
- потеря динамики автомобиля;
- нестабильные обороты двигателя;
- мотор глохнет самопроизвольно;
- детонация в момент нажатия педали акселератора;
- двигатель дергается и троит.
Правильное проведение диагностики Среди признаков неисправности, указывающих на возможную поломку ДПКВ встречаются:
Диагностика электрической части трамблера
Ремонт трамблера 4A-FE требует предварительной диагностики. При разборке распределителя зажигания может быть обнаружен износ крышки и бегунка. В таком случае деталь демонтируется и проводится диагностика составляющих компонентов.
Крышки путем естественного износа и воздействия масла также могут нуждаться в замене. Заменить можно на самодельные крышки, вырезанные по размерам из картона. Устанавливать самодельные картонные крышки необходимо на суперклей.
Далее необходимо собрать и установить на место навесное оборудование, выставить зазоры на датчиках коленвала и распредвала, очистить пространство под распределителем от масла и установить механизм на место.
10. 11. 12. 13. 14. 15. 16. 17. 18. 19. 20. 21. 22. 23. 24. 25. 26. 27. 28. 29. 30. 31. 32. 33. 34. 35. 36. 37. 38. 39. 40. 41. 42. 43. 44. 45. 46. 47. 48. 49. 50. 51. 52. 53. 54. 55. 56. 57. 58. 59.60. 61. 62. 63. 64. 65. 66. 67. 68. 69. 70. 71. 72. 73. 74. 75. 76. 77. 78. 79. 80. 81. 82. 83. 84. 85. 86. 87. 88. 89. 90. 91. 92. 93. 94. 95. 96. 97. 98. 99. 100. 101. 102. 103. 104. 105. 106. 107. 108. 109. 110. 111. 112. 113. 114. 115. 116. 117. 118. 119. 120.121. 122. 123.124.125.126.127.128.129.130.131. 132.133.134. 135.136.137.138.139.140.141.142.143.144.145.146.147.
Аккумуляторная батарея Диагностический разъём автомобиля Toyota Carina
Распределитель автомобиля Toyota Carina (5a-fe, 4a-ge) Отключите штекер распределителя, демонтируйте крышку распределителя и ротор распределителя искровых разрядов. 1. Проконтролируйте с участием щупа воздушный зазор меж зубцами ротора датчиков угловых импульсов и выступом сердечника индуктивной катушки этого датчика.
датчик G автомобиля Toyota Carina (4a-ge).
4a-ge. Коммутатор автомобиля Тойота Карина (4a-ge) 1. Отделите штекер коммутатора. 2. Включите зажигание (on). 3. Проверьте напряжение меж выводом «+в» (3) штекера коммутатора и массой.

Оптический
Способы проверки

Чистка от грязи
- Если заметны утечки искры, то налицо нарушения изоляции.
- Крышка распределителя обязана быть сухой и чистой. Случаются также прогары крышки.
- Дальнейшая проверка касается проводки. Надо диагностировать соединения на целостность.
- Обязательно проверяются клеммы – они не должны легко выниматься.
- Диагностируется бегунок.
- Проверяется контактная группа на зазоры.
- Проверяется износ контактов, их состояние.
Признаки неисправности Производитель Тойота использует две разновидности кодов: дву – и однозначный код. Основные параметры кодов занесены в таблицу ниже.
Как обнулить данные об ошибках после проведения диагностики?
Коды неисправностей бензиновых двигателей (Toyota)
В отношении наиболее часто встречающихся кодов ошибок Corolla накоплен определенный опыт, который поможет решить проблему. Часто СС регистрирует код p0810 для коробки передач робот Тойота Королла 2006 — 2009, которая указывает на общую ошибку управления положением сцепления. Причины могут быть вызваны поломкой актуатора, ТСМ или датчика хода.
Код неисправности p0900 в Королла указывает конкретно на повреждение цепи актуатора сцепления. Причинами появления сигнала p0900 являются разрыв цепи проводки или выход из строя моторчика актуатора сцепления Corolla.

| Причина | Метод ее устранения |
| Низкое качество топлива | Слейте бензин из бака и заправьте авто топливом из другой заправки или с более высшим октановым числом |
| Вышли из строя свечи зажигания | Проверьте и при необходимости замените деталь |
| Нет искры из цилиндра | |
| Барахлит проводка или катушка | |
| Лямбда-зонд неисправен | Только замена узла |
| Катализатор | |
| Форсунки загрязненные | Очистка |
| Сеточка в бензобаке или бензонасос требуют осмотра | Давление подачи бензина должно находиться не ниже уровня трех атмосфер. При других показателях отремонтируйте или замените узлы |
| Уровень масла | Когда индикатор загорается при нагреве силового агрегата, то приглушите мотор и услышите нетипичные звуки мотора. Советуем вам выявить масляные подтеки, тем самым вы найдете место трещины |
Как обнулить данные об ошибках после проведения диагностики?
- Под капотом в коробке «Diagnostic» перемкните две фишки «Е1» и «ТЕ1».
- Заведите Тойота Королла, включите кондиционер, печку и наблюдайте за показателями на табло.
- Частое моргание (пауза меньше полсекунды) более десяти раз – свидетельство об отсутствии в памяти зафиксированной неисправности такого типа. Использование двигателя будет безопасным. Разомкните контакты в приборе проверки неисправностей и можете осуществлять запланированные поездки.
- При мигании индикатора с большими паузами (четыре с половиной секунды) особо беспокоиться не надо: Вас ожидает несерьезный ремонт по типу технического обслуживания.
- Следующие два типа сигнала: мигание – пауза – мигание – длинная пауза – мигание (код неисправности 21) или мигание – интервал – мигание – длинный интервал – мигание (код 12) обозначают наличие в памяти компьютера данных о таком роде и, скорее всего, Вас ожидает серьезный ремонт.
Как провести диагностику двигателя? Распределитель автомобиля Toyota Carina (5a-fe, 4a-ge) Отключите штекер распределителя, демонтируйте крышку распределителя и ротор распределителя искровых разрядов. 1. Проконтролируйте с участием щупа воздушный зазор меж зубцами ротора датчиков угловых импульсов и выступом сердечника индуктивной катушки этого датчика.
