Почему не Горят Противотуманки Ваз 2109 • Не работает кнопка
Неожиданные причины нерабочих ПТФ на ВАЗ-2110
Самая банальная причина — это перегоревший предохранитель.
Но к ней мы вернёмся позже. В конструкции противотуманок, реле, выключателей и ламп существует ещё много до сих пор неизведанного. К примеру, возможной причиной отказа противотуманок может стать совершенно неожиданная поломка.

В первую очередь проверяем сами лампочки, добраться до левой можно через капот.
На некоторых версиях ВАЗ-2110 устанавливали ПТФ завода Автосвет (Киржач) с цоколем под лампу Н1. Стоковые лампы не самого лучшего качества и они не любят резких перепадов температуры.
Подобраться через капот к правой противотуманке довольно сложно, проще снять саму фару, вывернув саморезы.
Конечно, предусмотреть все варианты отказа невозможно, но самые распространённые мы рассмотрим.
Замена противотуманки lada 21093 (ваз 21093) своим руками
Установка противотуманных фар в передний бампер

Как установить туманки на ваз 2109 – Защита имущества
- Предохранитель . При грамотной установке ПТФ на десятку, как правило, используют схему, представленную выше. Как видно из схемы, за работу каждой из ламп отвечает отдельный предохранитель, F4 или F14. Они находятся в монтажном блоке, который расположен в нише передней панели слева от водителя. При замене предохранителя не используем жучков и перемычек, а только новые предохранители.
Почему на ВАЗ-2114 не горят противотуманки: причины, фото и видео Каждая модель автомобиля имеет свои особенности, поэтому заранее необходимо выяснить нюансы подключения ПТФ на автомобильных форумах или у коллег с аналогичными машинами. Начинать работу по установке противотуманок в машину следует с отсоединения минусовой клеммы аккумулятора.
Установка и подключению передних и задних ПТФ на ВАЗ 2113, 2114, 2115
Прежде чем приступить к монтажу противотуманок, потребуется подобрать определённый перечень инструментов и дополнительных элементов. Можно приобрести как готовый комплект для подключения, так и по отдельности подобрать необходимые запчасти. Когда все подготовлено, можно размечать на переднем бампере место под установку будущих фар.
На ВАЗ 2115 с завода есть штатные отверстия, а в случае с ВАЗ 2113 и ВАЗ 2114 потребуется поработать инструментом (лобзиком или дрелью). Если нет желания повреждать бампер, можно установить осветительные приборы на специальные кронштейны.

Под установку противотуманок в переднем бампере нужно сделать отверстия при помощи лобзика или дрели со свёрлами, предварительно выполнив разметку.
Как подсоединить противотуманки на ваз 2108
- Первым делом открываем капот, находим монтажный блок и откручиваем по бокам два его крепления к кузову, снимаем крышку с монтажного блока.
- Снизу монтажного блока отстегиваем две крайние колодки проводов с маркировкой «7» и «8».
- Берем установочный комплект: надеваем на реле провода из комплекта.
- Другие концы проводов добавляем в колодку проводов «7» и «8» согласно схеме.
- Обратно втыкаем колодки проводов в монтажный блок и крепим его обратно на родное место
- Далее крепим реле к кузову автомобиля в любое понравившееся место: например, рядом с тем же монтажным блоком.
- Проводим длинны провода от колодок монтажного блока (которые мы уже установили) до противотуманнок и подсоединяем их. Так же крепим массу противотуманнок к кузову авто.
Как подключить противотуманки через реле и кнопку схема ваз 2109 Еще одной частой причиной не работающих противотуманных фар становится перегорание лампочек вследствие короткого замыкания или естественного эксплуатационного износа.
Устройство электрооборудования и противотуманных фар на ВАЗ-2114

Для того, чтобы понимать почему противотуманные фары вышли из строя необходимо немного знать о том, как устроено электрооборудование автомобиля в целом, а также схему подключения данного узла в общую электрическую цепь.
Итак, рассмотрим основную схему электрооборудования ВАЗ-2114:
Общая схема электрооборудования автомобиля включая ПТФ
А также, схемы непосредственного подключения противотуманных фар.
Причины выхода из строя
Теперь, когда разобраны все схемы электрического подключения противотуманных фар, можно перейти непосредственно к определению причин их неработоспособности или выхода из строя:
- Перегорание предохранителя.
- Сгорели лампочки.
- Окисление контактных соединений.
- Нет контакта на массу.
- Не работает кнопка.
- Отсутствует питание.
- Неверное подключение.
- Сломано реле.
Не горят лампы ПТФ (методы устранения неисправностей)
Теперь, когда все причины выделены, можно перейти непосредственно к рассмотрению вопроса решения проблемы. Для диагностических операций потребуется – тестер, а вот для ремонта – набор отверток, ключей и некоторые запасные части.
Теперь, рассмотрим, как в разных случаях необходимо решать проблемы.
Перегорание предохранителя
Схема предохранителей в монтажном блоке
Если на автомобиле погасли обе противотуманки сразу, то в монтажный блок можно не лезть и дело в другой поломке.
Сгорели лампочки
Еще одной частой причиной не работающих противотуманных фар становится перегорание лампочек вследствие короткого замыкания или естественного эксплуатационного износа.
Для проверки исправности детали устанавливаем в посадочное место новую лампу, и если она горит, то дело точно в выходе из строя именно этого элемента. Как и в предыдущем случае, сразу две лампы перегореть не могут.
Окисление контактных соединений
Из-за плохой герметизации окислился контакт ПТФ
Кнопка включения ПТФ
Чтобы установить кнопку в низкой приборке, придётся демонтировать панель, расположенную между центральным соплом системы вентиляции/отопления и органами управления печкой.
Противотуманные фары на ваз 2109 подключение.

Выводы
Особенности и устройство ПТФ 1. Выберите место для установки кнопки управления ПТФ.
Установка противотуманных фар 2109
Установка противотуманных фар ВАЗ 2109 требует наличия соответствующих деталей и материалов, которые, кстати, можно приобрести уже в готовом комплекте. Такой набор включает:
— реле с колодкой и уже обжатыми проводами при помощи клемм;
— концы провода от реле имеют как узкую клемму, так и клемму с массой, где есть специальное отверстие;
— также в наборе имеются силовые провода от монтажного блока до фары. Концы этих проводов также обжаты клеммами. На другом конце провода имеются колодки. Один провод колодки подключается к противотуманной фаре, второй – это масса.

Основные причины неисправности ПТФ
- Непосредственно противотуманки.
- Около трех метров одножильного провода (красного цвета) с сечением 0,75 квадратов.
- Реле с нормально разомкнутыми контактами, металлической пластиной для крепления и колодка с проводами.
- Кнопка (скорее всего, она уже установлена рядом с выключателем обогрева заднего стекла).
- Как минимум пять саморезов.
- Отвертка, ключ на 10, канцелярский нож и плоскогубцы.
- Термоусадочная изоляция и изолента.
- Предохранитель на 16 Ампер и гнездо для него.
Как выбрать ПТФ Подключение противотуманных фар на ВАЗ 2109 потребует наличия определенных инструментов. Вам понадобятся ключ на 10, отвёртка, бокорезы, сапожный нож для зачистки проводов и изолента. Это минимальный набор. Он достаточен в случае применения технологии скрутки для соединения проводов.
Установка
Подготовив все необходимое, можно приступать к процедуре сборки новых элементов для вашего автомобиля.
- Установите и подключите кнопку, с помощью которой вы будете включать и выключать ПТФ. В этом плане повезло владельцам девятки с высокой панелью, поскольку здесь уже есть штатное место, предусмотренное для противотуманных фар, то есть для их кнопки.
- Снимите решетку, которая закрывает динамик, открутите сам динамик и отыщите внутри пару разъемов. Они предназначены для подключения кнопки активации противотуманок и индикатора их включения.
- Уберите заглушку с панели, поставьте на ее место вашу кнопку и соедините с электрическим разъемом. Динамик и решетку можно вернуть на свое законное место.
- Теперь идем к подкапотному пространству. Вам нужно открутить монтажный блок, или как его еще называют черный ящик. Поднимите крышку, чтобы получить доступ к имеющимся там разъемам.
- Далее от вас потребуется провести проводку от противотуманных фар, а также от места установки соответствующего реле до монтажного блока предохранителей. А вот провода массы реле трогать пока не надо.
- Отсоедините от монтажного блока разъемы Ш7 и Ш8. Они располагаются непосредственно друг возле друга, но при этом Ш7 существенно шире, нежели Ш8.
- Вставьте в разъемы ваши подготовленные клеммы, опираясь на предоставленную схему. Если ПТФ на вашем автомобиле нет, то эти разъемы обязательно будут свободными.

- Верните разъемы назад с блок предохранителей.
- Верните на свое законное место извлеченный монтажный блок.
- Реле монтируется на корпус автомобиля, и под используемый крепежный болт обязательно устанавливается масса реле. Не забудьте перед этим место контакта тщательно зачистить от краски, иначе заземление работать должным образом не будет.
- Силовые провода соединяются с вашими противотуманными фарами из приобретенного комплекта.
- В непосредственной близости возле противотуманок необходимо в удобном и безопасном, защищенном месте подключить массу. Контакт с корпусом вашего автомобиля должен получиться максимально надежным. Иначе фары попросту не будут работать или возникнут проблемы со стабильностью функционирования.
- Установку сами противотуманных фар можно выполнить за счет просверливания отверстий в металлической вставке. Оптимальное место сверления — около крепежных болтов, которые удерживают бампер.
- Некоторые модели бамперов, кроме стандартных заводских, предусматривают в своей конструкции наличие уже готовых отверстий для монтажа противотуманной оптики. Для их установки воспользуйтесь кронштейнами, которые обязаны идти в комплекте с набором для подключения ПТФ.
- Обязательно обеспечьте прочную фиксацию противотуманных фар, чтобы их не трясло во время движения.
- Многие допускают большую ошибку, монтируя противотуманки непосредственно на пластиковый бампер. От этого при малейших кочках фары начинает трясти, вы мешаете встречному транспорту. Да и эффективность работы ПТФ при подобной установке стремится к нулевой.
Общие рекомендации
Установочный комплект Реле ПТФ может просто висеть на проводах.
Схема подключения ПТФ
Но иногда случается так, что ПТФ отказываются включаться, причем не работать может как одна, так и обе фары. Причин того, почему не горят противотуманки на ваз 2114, может быть большое множество, но главная из них — появление окислов или коррозии в важных местах электрической цепи, идущей к фарам.
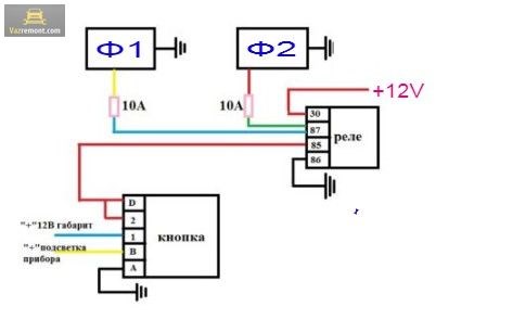
Перед тем, как рассмотреть все возможные причины более подробно, следует ознакомиться с принципиальной схемой подключения противотуманных фар к бортовой электросистеме автомобиля.

На ней присутствуют следующие обозначения:
- прямоугольники розового цвета 10А — 10-ти амперные предохранители;
- Ф1 и Ф2 — противотуманные фары;
- значок заземления — подключение к массе;
- +12V — выход на «+» клемму аккумуляторной батареи.
Процедура замены
- перегорел предохранитель;
- перегорела(и) лампочка(и);
- произошло окисление контактов;
- пропал контакт с «массой»;
- вышла из строя кнопка;
- вышло из строя реле.
Материалы и требования к установке Провода силовой группы от блока к фаре обжимаются в таком порядке: с одной стороны широкая клемма, с другой – колодка для соединения с ПТФ. Второй провод в колодке – массовый.
Особенности и устройство ПТФ

Комплект ПТФ для отечественной девятки
Соединение со стандартным монтажным блоком 2109
Далее провод необходимо вывести к месту установки электромагнитного реле, у которого нормально разомкнутые контакты служат для подачи напряжения на противотуманки ВАЗ 2109. На один вывод через предохранитель 16 Ампер приходит плюс от АКБ, со второго он будет сниматься и идти на параллельно включенные противотуманные фары.
На контакты катушки реле присоединяется два провода: один сразу же на массу, а второй выводите к кнопке в салоне. Теперь осталось только к обеим противотуманным фарам ВАЗ 2109 подвести минусовое питание, а на второй контакт кнопки подать плюс от замка зажигания (чтобы исключить включение противотуманок при выключенном зажигании).
Неверное подключение
Не работает кнопка

Монтаж фар и прокладка проводов
- Установите и подключите кнопку, с помощью которой вы будете включать и выключать ПТФ. В этом плане повезло владельцам девятки с высокой панелью, поскольку здесь уже есть штатное место, предусмотренное для противотуманных фар, то есть для их кнопки.
- Снимите решетку, которая закрывает динамик, открутите сам динамик и отыщите внутри пару разъемов. Они предназначены для подключения кнопки активации противотуманок и индикатора их включения.
- Уберите заглушку с панели, поставьте на ее место вашу кнопку и соедините с электрическим разъемом. Динамик и решетку можно вернуть на свое законное место.
- Теперь идем к подкапотному пространству. Вам нужно открутить монтажный блок, или как его еще называют черный ящик. Поднимите крышку, чтобы получить доступ к имеющимся там разъемам.
- Далее от вас потребуется провести проводку от противотуманных фар, а также от места установки соответствующего реле до монтажного блока предохранителей. А вот провода массы реле трогать пока не надо.
- Отсоедините от монтажного блока разъемы Ш7 и Ш8. Они располагаются непосредственно друг возле друга, но при этом Ш7 существенно шире, нежели Ш8.
- Вставьте в разъемы ваши подготовленные клеммы, опираясь на предоставленную схему. Если ПТФ на вашем автомобиле нет, то эти разъемы обязательно будут свободными.
Как установить противотуманные фары на ВАЗ 2109? Как известно, с завода изготовителя противотуманные фары не устанавливаются на ВАЗ-2114. Это дополнительная опция, которая доступна при продаже автомобиля в салоне официального дилера. Но, иногда, даже этот узел может выйти из строя. В данной статье рассмотрим, какие же причины возникновения поломки, а также методы их решения.
