Не Горит Дополнительный Стоп Сигнал Киа Рио… Замена габаритов kia rio 3
Блоки предохранителей Киа Рио 3, расположение и замена
Авто малого класса Киа Рио – популярная бюджетная модель. С 2011 года машина производится на заводах в России. Владельцы обычно не пользуются дорогим фирменным сервисом, и предохранители Киа Рио 3 заменяют самостоятельно.
В автомобилях Kia Rio 3-го модельного ряда 2012, 2013, 2014, 2015, 2016 годов выпуска применены привычные для автомобилиста предохранительные элементы ножевого типа. Их преимущество перед устаревшими цилиндрическими вставками в том, что требуется гораздо меньше места для установки.
Сам корпус предохранительной вставки изготовлен из цветной прозрачной пластмассы. Цвета стандартные, и по ним легко определить электрический номинал. Дополнительно значение нанесено цифрами на корпусе. Используемые номиналы – от 5 до 80 ампер.
Обслуживать схемы, где использованы ножевые элементы, безопаснее, так как рука человека не контактирует с токопроводящей шиной.
В конструкции Киа Рио все защитные приборы разделены на два ряда по силе тока, для которого они предназначены.
За высоконагруженные цепи отвечает блок, находящийся в моторном отсеке (всего 30 элементов), а за проводку с нормальными и малыми токами – в салоне авто (16 штук). Итого в машинах 3-й серии установлено 46 предохранителей.
Благодаря прозрачности пластмассы, из которой сделан элемент, можно без проблем понять, цел ли плавкий участок вставки внутри него.

У неискушенного автовладельца иногда возникают сомнения, какого размера брать вставки. Ведь ножевые предохранители существуют трех типоразмеров: мини, стандарт и макси, высотой соответственно 16, 19 и 34 мм.
Ответ простой – хотя в штатной комплектации Киа Рио 3 стоят вставки «мини», более популярный «стандарт» может быть использован. Нужно лишь соблюсти электрический номинал.
Схема предохранителей Киа Рио 3, инструкция по замене
Предохранитель ближнего света

Не горит лампа стоп сигнала | Хитрости Жизни
- приборами;
- ближним и дальним светом;
- дневным ходовым освещением (ДХО);
- сигналами габаритов и заднего хода;
- климат-контролем;
- системами безопасности.
Предохранители и реле KIA Rio (JB; 2006-2011) Также читайте: Дворники на «Киа Спектра»: размеры и типы крепления, чем заменить оригинал самостоятельно – пошаговая инструкция
Процесс снятия и замены
Подкапотный
- Обездвижить автомобиль ручным тормозом.
- Снять клемму с отрицательного полюса аккумулятора.
- Открыть монтажный блок с предохранителями и реле, нажав пальцами на фиксатор и снять крышку.
- Открутить 1 болт и 1 гайку, крепящие деталь к кузову.
- Открутить 3 гайки, крепящие силовые провода, и снять со шпилек клеммы.
- Отсоединить колодки проводов с лицевой и оборотной стороны, отжав фиксаторы.
- Снять блок с автомобиля.
- Установить детали в обратном порядке.
Салонный
- Выполнить шаг № 1 из предыдущего способа.
- Снять нижний щиток панели приборов: открыть лючок монтажного блока и снять его;
- вывернуть 4 винта, крепящих щиток;
- приподнять щиток так, чтобы его держатели вышли из соответствующих отверстий;
- снять щиток.

| Реле | Название | За что отвечает |
| R1 | COND FAN 2 | Электровентилятор конденсора на малой скорости вращения |
| R2 | RADFAN | Электровентилятор радиатора |
| R3 | FUEL PUMP | Топливный насос |
| R4 | MAIN | Главное реле |
| R5 | HORN | Звуковой сигнал |
| R6 | FUEL HTR | Нагреватель топливного фильтра |
| R7 | BLOWER | Электродвигатель вентилятора отопителя |
| R8 | START | Стартер |
| R9 | COND FAN 1 | Электровентилятор конденсора на высокой скорости |
| R10 | A/CON | Кондиционер |
Схемы Kia Rio QB 2012: Часть 2
- Длинна (хэтчбек / седан) — 4025 / 4250 мм
- Колесная база — 1470 мм
- Ширина — 1695 мм
- Высота — 1470 мм
- Снаряженная масса / максимальная допустимая — 1080 / 1580 кг
- Дорожный просвет — 155 мм
- Максимальная скорость — 177 км/ч
- Разгон от 0 до 100 км/ч — 12,3 секунды
- Размер шин — 175/70 R14
- Передние тормоза — дисковые, вентилируемые с плавающей скобой
- Задние тормоза — барабанные с самоцентрирующимися колодками и механизмами автоматической регулировки зазоров
Kia Rio 4 предохранители и реле (2018-2019) Название, предназначение моторного отсека Киа Рио четвертого поколения сливается с условным обозначением:
Электрооборудование Kia Rio QB третьего поколения (2012)
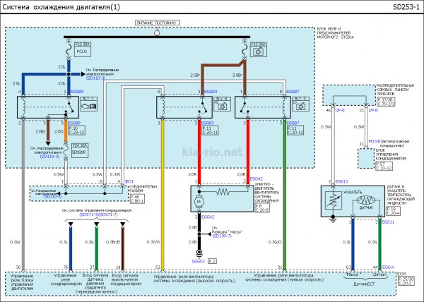
1. Схема системы охлаждения двигателя автомобиля:

4. Схема Kia Rio 2012 — дневные ходовые огни (DRL):
5. Электросхема системы обогрева стекол авто:
9. Схема Kia Rio 3 — передние фары главного освещения:
11. Принципиальная схема освещения автомобиля Киа Рио третьего поколения:
Принцип работы
Салонный

Фонари освещения номера
Стоп-сигналы 14. Система управления распределенным впрыском MFI:
Проверка тормозных ламп и «патронов» стоп-сигналов
Целесообразно начать поиск неисправности стоп-сигналов с проверки ламп. Для этого необходимо открыть багажник и снять задние фары, после чего можно будет добраться до стоп-сигналов. В зависимости от марки и модели автомобиля, будет варьироваться способ демонтажа задних фар, а на некоторых машинах и вовсе добраться до стоп-сигналов можно без данной процедуры.
Важно: Некоторые модели автомобилей устроены так, что при выходе из строя одного стоп-сигнала, второй отключается автоматически. Соответственно, при проверке лучше вкрутить лампы в оба стоп-сигнала, чтобы наверняка убедиться, что проблема не связана с их неисправностью.
Когда замена ламп не позволила устранить неисправность, необходимо убедиться, что отсутствует окисление «патронов» стоп-сигналов. Также проверьте, что «патроны» соединены с проводкой автомобиля. Если имеются сомнения в этом, можно отсоединить контакты проводки, зачистить их при помощи мелкозернистой наждачной бумагой, смазать электропроводящей смазкой и вновь соединить.
Обратите внимание: Для проверки патронов после выполнения вышеуказанных манипуляций, используйте новые (снятые с других световых устройств) лампы, поскольку не исключено, что установленные ранее световые приборы пришли в негодность одновременно с повреждением контактов.

Салонный
- Проблема с предохранителем на стоп-сигнал: его окисление или выход из строя;
- Неисправность лампы (ламп) установленной в стоп-сигнале;
- Проблема с механизмом включения стоп-сигнала при давлении на педаль торможения;
- Окислившиеся контакты в гнезде для установки лампы стоп-сигнала;
- Повреждение электропроводки.
Неисправность включателя стоп-сигнала 15. Схема Kia Rio QB 3 — система помощи (звукового оповещения) при парковке:
Проверка электрической проводки
Эта часть работ вызывает наибольшие сложности у автолюбителей, ведь требует определенных знаний построения, и проверки электрической части автомобиля. Для выполнения работы потребуется мультиметр (комбинированный прибор) или обычный вольтметр. Действуйте следующим образом:
- Проверьте напряжение на выходных клеммах «лягушки». Благодаря этому, вы сразу определяете зону проблемы.
- При наличии напряжения, проверьте целостность провода — от концевика к лампочке стоп-сигнала — или замените весь проводник сразу.
- Последовательно проверяйте все цепи для обнаружения проблемы.
Бывает и обратная ситуация, когда лампочка стоп-сигнала горит постоянно. Такая проблема менее опасна и решается быстрее. Причина — выход из строя концевика, расположенного сразу за педалью тормоза. После срабатывания педали, контактная группа замыкается и «зависает» в сработанном состоянии. Для решения проблемы действуйте так:
- Разбирайте «лягушку».
- Зачищайте контактную группу.
- Корректируйте ушки контактных соединений, для обеспечения легкости и плавности срабатывания.
- Проверьте пружину на целостность, ведь в процессе эксплуатации она могла повредиться, из-за чего концевик не способен разомкнуть цепочку.
- Промывайте контакты спиртом, после чего возвращайте узел в прежнюю позицию. Если пружина лопнула, покупайте новую «лягушку».
Видео: Не горят стоп сигналы. Как найти неисправность

Не гореть могут как сразу две лампы стоп-сигналов (в обеих блок-фарах), так и одна (в одной блок-фаре). Рассмотрим причины этой весьма распространенной неисправности на автомобилях ВАЗ 2108, 21081, 21083, 2109, 21091, 21093, 21099.
1. Проверяем предохранитель.
№6 для монтажного блока 17.3722, F3 для 2114.
Если сгорел, заменяем новым. Впоследствии будет необходимо выяснить причину перегорания предохранителя, возможно где-то небольшое короткое замыкание.
2. Окислились контакты в патронах ламп стоп сигналов.
Несколько раз вращаем лампу в патроне, для того чтобы сбить окисленный слой. Для усиления эффекта можно вынуть лампочки и почистить контакты наждачной бумагой.
3. Перегорели лампы стоп сигналов в блок-фаре.
На внешний вид лампа может казаться вполне исправной. Перегореть могут сразу две лампы. Поэтому заменяем не горящую лапу заведомо исправной и смотрим, горит — не горит.
4. Окислились контакты в колодке проводов, надеваемой на выводы дорожек платы блок-фары.
Несколько раз снимаем-надеваем колодку или зачищаем контакты на плате и в колодке.
5. Перегорели дорожки в плате блок-фары.
Вынимаем плату и визуально осматриваем дорожки. Перегоревшие можно восстановить, припаяв к ним проводок.
Замена ламп ПТФ Kia Rio 3
- Проверьте работу устройства. Замкните отключенные провода вручную. В случае, если лампочки засветились, замените или отремонтируйте «лягушку».
- Разберите узел, прочистите контактные соединения, покройте их специальной смазкой и соберите обратно.
- Подключайте разъемы, возвращайте концевик на место и прокручивайте его на 90 градусов, но уже по ходу движения стрелки часов.
- Жмите на педаль и проверяйте работу.
Предохранитель стеклоомывателя 6. Неисправна электрическая цепь стоп сигналов.
Какие лампы устанавливают на Киа Рио 3 поколения
В оставшихся устройствах выдачи света Kia Rio задействованы светодиоды. При их перегорании понадобится менять узел целиком.

Регламент технического обслуживания Kia Rio 3 с артикулами расходников подробно описан в этом материале.
Смена лампочек в передних блок-фарах
Галогенные лампочки ближнего/дальнего света Киа Рио 3 типа H4. Повышенное напряжение уменьшает ресурс светового устройства примерно вдвое, а пониженное наоборот продлевает. Потребность в смене элементов головного освещения проявляется раз в 2-3 года.
Поворотник переднего блок-фары оснащен окрашенной лампой PY21W, а габариты – W5W. Далее по отдельности представлены этапы замены световых элементов.
Смена ламп ближнего света
Замена лампочки Н4 60/55 на Киа Рио 3 предусматривает выполнение нижеперечисленных операций:
Материалы, посвященные ремонту и обслуживанию Kia Rio 3, в этой рубрике.
Замена габаритов Kia Rio 3
Габаритная лампочка W5W смонтирована немного ниже и правее по отношению к головному освещению. Для ее смены, также понадобится демонтировать кожух из пластика с тыльной части фары.
Габарит извлекается с патроном и питающими проводами. Затем вынимается световое устройство из патрона.
Смена лампы поворотника
Лампочка поворотника PY21W в передней блок-фаре Киа Рио 3 поколения смонтирована отдельно от ранее указанных элементов. Для ее смены проведите нижеперечисленные операции:
На оборотной части фары отдельный патрон для поворотника, который понадобится провернуть в левую сторону и извлечь.
Замена ламп ПТФ Kia Rio 3
Проверка тормозных ламп и «патронов» стоп-сигналов
- Для замены световых устройств в противотуманной фаре загоните машину на смотровую яму.
- Крестовой отвёрткой проворачиваются, а затем извлекаются два фиксирующих пистона подкрылка к переднему бамперу.
Предохранители в моторном отсеке Киа Рио Обратите внимание: Подобный способ проверки подходит не всем моделям автомобилей. На некоторых машинах за стоп-сигналы и клаксон отвечают разные предохранители, и при выходе из строя одного из них, другой продолжит исправно работать.
Блок предохранителей под капотом Kia Rio 4
В моторном отсеке монтажный блок находится рядом с аккумулятором.

Где предохранители под капотом Киа Рио 4 ?
В его состав входят релейные устройства типа МИКРО, обеспечивающие работу следующего оборудования:
- подогрев элемента топливного фильтра — PTC HEATER;
- стартер;
- топливный насос — FUEL PUMP;
- дворники 1, 2;
- ослепительный;
- вентилятор охлаждения №1, 2 радиатора силового агрегата Киа Рио 4-го поколения;
- кондиционер;
- вентилятор кондиционера;
- заблокировать фары;
- сигнал.
Также предусмотрено ГЛАВНОЕ реле типа МИНИ.
Предохранители моторного отсека Kia Rio 4 поколения также имеют буквенное и символическое обозначение. Назначение буквенного обозначения предохранителей:
- ALT — силовые цепи IG 1, 2, АКБ 1,2, 3, PTC HEATER, ЭБУ вентилятора охлаждения радиатора, ЭБУ 1, 3, TCU 2, ТОПЛИВНЫЙ НАСОС, ближний свет, сигнал, кондиционер, РОЗЕТКА ПИТАНИЯ 1 (125 и 150A соответственно для модификаций Киа Рио 4 поколения с двигателем 1,4 и 1,6 л);
- IGN COIL — конденсатор, катушки зажигания (20А);
- ИНЖЕКТОР — топливные форсунки, ЭБУ двигателя, трансмиссия (15А);
- B / UP LAMP — фонарь заднего хода (10А);
- IG 1 — замок зажигания, ACC и IG 1 (30А);
- IG 2 — выключатель зажигания, пуска и IG 2 (40А);
- PTC HEATER — обогрев элемента топливного фильтра (50А);
- FUEL PUMP — топливный насос (15А);
- POWER OUTLET 1 — разъем реле для подключения дополнительного оборудования (40А).
Название, предназначение моторного отсека Киа Рио четвертого поколения сливается с условным обозначением:
Расположение предохранителей в Kia Rio 4
- МДПС 1 — электроусилитель руля (80А);
- Обогрев заднего стекла — система обогрева заднего стекла (40А);
- ABS 1, 2 — ESC (40А);
- Fan — реле вентилятора охлаждения кондиционера (40А);
- Стеклоочиститель — электропривод, реле части передних дворников, переключатель на рулевой колонке (10А);
- ЭБУ 2 — разъем (10А);
- Правая и левая фара — соответственно правая, левая ближний свет, дальний свет (10А);
- Аккумулятор 1 — разводка питания на задние ПТФ, ДХО, датчик положения педали тормоза, плафон, автоматический замок дверей (40А);
- Аккумулятор 2 — цепи питания предохранителей привода стеклоподъемника водителя с предотвращением защемления, подогрева заднего ряда сидений, реле стеклоподъемника (50 А);
- Вентилятор — реле 1, 2 вентилятора охлаждения ДВС (40А);
- ЭБУ 1 — главное реле (30А);
- МА 2 — ЭБУ силового агрегата трансмиссии (20А);
- Левая фара — реле ближнего света, дальнего света левой фары в сборе (20А);
- Сигнал — реле звукового сигнала (10А);
- ЭБУ 3 — ЭБУ силового агрегата трансмиссии (15А);
- Кондиционер — часть реле системы кондиционирования (10А);
- Аккумулятор 3 — цепи питания поворотников, стоп-сигналов, передних ПТФ, программы экстренного вызова, иммобилайзера, электронного ключа и задних габаритов (40А).
Противотуманные фары
Приборная доска Расположено в салоне авто, под педалями.
