Ошибки Рено Магнум 440 Евро 3 Перевод… Подсистема эбу и подогревателя
Коды ошибок рено магнум 430 мак
Надежная машина – самый близкий друг дальнобойщика. Но, так же как и в каком угодно механизме, грузовики, даже самые современные и надежные имеют свои слабенькие стороны. Панель на Рено Магнум
иначе говоря Премиум может отражать на экране надпись Defect код 200 (Theft defect). Что это значит и как вместе с ним биться? Принципиально держать в голове, что некоторые вещи есть вариант убрать.
Устранение дефект-200
Если вы выполнили что остается сделать нашему клиенту обозначенные нами рекамендации и даже не смогли убрать данную ошибку и ее проявления. Спецы нашей фирмы имет большой опыт диагностики и ремонта ошибки 200. Мы всегда готовы помощь.
Рено Магнум E-TECH Премиум DCI Евро-3 руссификация панели приборов AFFI2000 PH1
E-TECH Премиум DCI
Евро
—
3
(2001 и 2002гг) руссификация панели устройств.
Причина недостаточной мощности Renault Premium 370 11.1dCi
Веб-сайт 100 Ковш: Не просто инфы по данной теме здесь.
Беря во внимание тот факт, что данная ошибка возникает только при запуске мотора, иной раз, после «хлопотного» пуска, целенаправлено не глушить мотор по каждому поводу.
При снятом vecu на cаn 1587 с иммобилайзера будет сигнал? Имея рабочий блок легко на обозначенных пинах замерить сопротивление, Помогите пожалуйста, машина стоит уже 4 месяца. ошибки удаляются но как нажимаешь стартер то снова выскакивают. снимая антенну с иммобилайзера, возникает ошибка иммобилайзера.
Не знаем что делать, прошивать старенькый если неисправен блок придётся прошивать вдобавок новый. помогите разобраться пожалуста
Здрасти. Виртуально мы Для вас, нередко, посодействовать не сможем. Насчёт блока vecu, его конечно проверить на «столе», подключив к нему соответственный диагностический сканер.
Здрасти пылает ошибка theft defect на табло пылает ключ замка зажигания что это значит? Реномагнум
Здрасти. Это ошибка возникает, когда встречаются неисправности в автомобиле. Необходимо делать диагностику в Этом варианте, чтоб найти, почему пылает предупреждение о неисправности.
здрасти рено магнум проехал 50 000км повсевременно недостаток 200 меняю предохранитель ф16 вроде заводился и работал но позже шеф перебрал головки поменял кольца и машина проехала 260 км и все остальные чем просто не заводится ошибок море после еще одного сервиза появилась ALTERNFTIVE ошибка или предупреждение кто что может поведать
Здрасти. Необходимо проводить диагностику неисправности, для устранения
Здрасти у меня Рено магнум мотор mak при езде указывает defect 200 на 2-3 секунды не действует педаль акселератора. сможете посодействовать? Спасибо!
Здрасти. Нужно проводить диагностику. Звоните
Хороший денек неувязка пришла в свое время движения резко не стал тянуть остановив машину при пробы заглушить движок выключив зажигание она пару месяцев продолжала работать после остановки мотора вышибло ошибку defect 200

Блок подготовки воздуха APM Renault Premium | Автомобильный технический центр
Клапан опережения рено магнум Отверстия А.Р.М.:
• 21 Запитка переднего контура
• 22 Запитка заднего контура
• 23 Запитка контура прицепа
• 23.1 Запитка контура стояночного тормоза
• 24 Запитка контура вспомогательного оборудования 1
• 25 Запитка контура пневматической подвески и коробки передач
• 26 Запитка контура вспомогательного оборудования 2
• 3 Выхлопная труба плюс глушитель
Диагностика и регулировка клапанов Renault 430-440
Опытный шофер знает, что без соответствующей регулировки клапанов, устойчивой работы двигателя как на малых, так и на больших оборотах, ему не видать. Поэтому после определенного количества километража необходимо приводить клапана в норму. Сделать это не так уж и сложно. Рассмотрим этот процесс на нашем Renault Magnum.
Порядок и особенности регулировки клапанов на Renault Magnum
Далеемы, скажем так, составляем небольшую табличку, где при перекрытии клапанов на 1 цилиндре мы будем регулировать клапана на 6 цилиндре. При перекрытии на 5 цилиндре будем регулировать клапана на 2. И остается у нас еще одна пара, это 3 цилиндр и 4 соответственно. Важно проводить регулировку клапанов на холодный мотор!
После этого приступаем непосредственно к проверке и регулировке клапанов. Для этого понадобиться накидной ключ и отвёртка с плоским шлицом. Ключом придерживать саму гайку, а отверткой работать по затяжке клапана. Таким образом, регулируем клапана. Не стоит забывать про регулировку системы EVB, так называемого «горного тормоза».

Cмотрите ВИДЕО про порядок регулировки клапанов рено магнум 440.
Мнение автовладельца по имени Октавий :Очень нравится тьфу тьфу тьфу . )))))))))))))
Смех в теме: Бежал заяц по лесу и увидел реку. Начал её переходить, но потом вспомнил, что не умеет ходить по воде и поплыл. Но потом вспомнил, что не умеет плавать и утонул.Мораль: Не вспоминайте прошлое.
Поэтому в срочном порядке стали проверять у всех, в том числе и у меня. По итогам проверки-четыре в норме, один подзажат, и один зазор чуть больше нормы. Всё сделали, отрегулировали, можно ездить со спокойной душой.
Коды ошибок рено премиум
Коды ошибок рено магнум — Автожурнал MyDucato Отображение на экране значений различных датчиков, подключенных к ECU. Зависит от каждой системы.
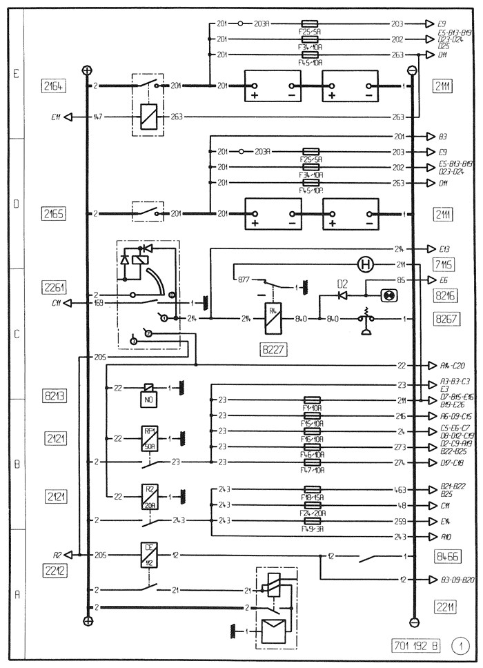
Принципиальная схема A.P.M.
Фаза НАКАЧКИ пневмоконтуров
В фазе накачки пневмоконтуров отключающий электроклапан (1), электроклапан (2) контроля линий 23 обесточены; они остаются в закрытом состоянии и нормально работают на выпуск воздуха.
ФАЗА РЕГУЛИРОВАНИЯ ДАВЛЕНИЯ ВОЗДУХА
После создания достаточного давления в контурах рабочей тормозной системы ЭБУ инициирует фазу разъединения.
Первый этап:
ЭБУ управляет разъединительный электроклапаном (1); электроклапан открывается и пропускает пневмовоздух управления на разъединительный клапан (2) и компрессор (выход 4: функция ESS, экономия энергии компрессора).
Второй этап:
Разъединительный клапан пропускает воздух и соединяет с атмосферой воздух компрессора (отверстия 1 и 3).
Обратный клапан (3) препятствует падению давления в контурах рабочей тормозной системы и вспомогательного оборудования.
Фаза РЕГЕНЕРАЦИИ осушителя воздуха
ФАЗА РЕГУЛИРОВАНИЯ ДАВЛЕНИЯ ВОЗДУХА В РЕЖИМЕ НЕИСПРАВНОСТИ
В случае неисправности в электронике или электропневматике (неполадки электропитания, блоков управления, электромагнитных клапанов) электроклапаны разъединения и регенерации не используются.
Однако для защиты различных пневмоконтуров необходимо сохранять возможность регулировать давление.
Функционирование:
В решении ограничений при неисправностях некоторые электроклапаны не запитываются и остаются нормально закрытыми.
Первый этап: обратный клапан (1) открыт, давление в пневмоконтурах растет, но пока оно меньше 10 бар, его не хватает для управления разъединительным клапаном (2), поэтому он остается в закрытом положении.
Фаза БЛОКИРОВКИ СТОЯНОЧНОГО ТОРМОЗА
На дисплее IC04 высвечивается пиктограмма «нажать на педаль тормоза» до тех пор, пока водитель не подтвердит своего присутствия в кабине нажатием на педаль тормоза.

Ошибки рено премиум dxi.
Ошибки рено премиум dxi. Всякие АвтоХитрости по различным моделям.
RENAULT MAGNUM EURO TECH 400440480.
С двигателями
MIDR 06.24.65 A46
MIDR 06.24.65 B46
MIDR 06.24.65 C46
Какой на двигателе установлен насос можно узнать по идентификационной табличке.

Параметры двигателей RENAULT MAGNUM EURO TECH.
вес
неукомплектованного двигателя — 1093 кг
Двигатель с регулировкой типа —А46В46С46
форсунка — KBELA 137P 174
распылитель — DSLA 140A
тарирование — 300 -310 бар
трубки распылителей (внутренний диаметр) — 1,83 мм
малые обороты — 600 обмин
максимальные обороты без нагрузке (при выключенном вентиляторе) — 2100 обмин
максимальные обороты с нагрузкой — 1900 обмин
давление подачи топлива — 5 бар
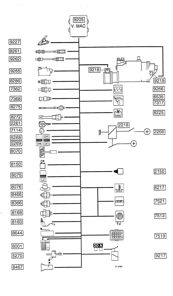
Параметры датчиков двигателя
Renault Magnum
- отсутствие либо слабенький контакт по шине CAN;
- механические повреждения проводки;
- слабенький контакт с «массой» на одном из устройств;
- по большей части появляется неувязка с проводами 12 и 13 блока управления кузова;
- подключение дополнительных по другому неродных устройств, к примеру магнитолы (когда она снята с другого Рено Магнум; Премиум);
- неисправность работы электронной комплекса бухгалтерских программ либо 1-го из ее узлов, к примеру фонари заднего хода и т.д.;
- отсутствие по другому ненадежность контакта на проводе №1;
- нарушена целостность пайки на иммобилайзере;
- поломки электрических деталей иммобилайзера (нередко выявляется при охлаждении машины на холоде).
PREMIUM DXI диагностика Для ликвидации неполадки необходимо выполнить диагностику проводки или заменить вышедшие из строя форсунки. Р Зарегистрированы проблемы в работе предохранительного устройства бензонасоса, в частности, ЭБУ говорит о высоком или пониженном напряжении в цепи. Для ликвидации ошибки производится тестирование цепи.
Renault Premium: Послевкусие «Премиума»
Надежная машина – самый близкий друг дальнобойщика. Но, так же как и в каком угодно механизме, грузовики, даже самые современные и надежные имеют свои слабенькие стороны. Панель на Рено Магнум
иначе говоря Премиум может отражать на экране надпись Defect код 200 (Theft defect). Что это значит и как вместе с ним биться? Принципиально держать в голове, что некоторые вещи есть вариант убрать.
Устранение дефект-200
Если вы выполнили что остается сделать нашему клиенту обозначенные нами рекамендации и даже не смогли убрать данную ошибку и ее проявления. Спецы нашей фирмы имет большой опыт диагностики и ремонта ошибки 200. Мы всегда готовы помощь.
Рено Магнум E-TECH Премиум DCI Евро-3 руссификация панели приборов AFFI2000 PH1
E-TECH Премиум DCI
Евро
—
3
(2001 и 2002гг) руссификация панели устройств.
Причина недостаточной мощности Renault Premium 370 11.1dCi
Веб-сайт 100 Ковш: Не просто инфы по данной теме здесь.
Беря во внимание тот факт, что данная ошибка возникает только при запуске мотора, иной раз, после «хлопотного» пуска, целенаправлено не глушить мотор по каждому поводу.
При снятом vecu на cаn 1587 с иммобилайзера будет сигнал? Имея рабочий блок легко на обозначенных пинах замерить сопротивление, Помогите пожалуйста, машина стоит уже 4 месяца. ошибки удаляются но как нажимаешь стартер то снова выскакивают. снимая антенну с иммобилайзера, возникает ошибка иммобилайзера.
Не знаем что делать, прошивать старенькый если неисправен блок придётся прошивать вдобавок новый. помогите разобраться пожалуста
Здрасти. Виртуально мы Для вас, нередко, посодействовать не сможем. Насчёт блока vecu, его конечно проверить на «столе», подключив к нему соответственный диагностический сканер.
Здрасти пылает ошибка theft defect на табло пылает ключ замка зажигания что это значит? Реномагнум
Здрасти. Это ошибка возникает, когда встречаются неисправности в автомобиле. Необходимо делать диагностику в Этом варианте, чтоб найти, почему пылает предупреждение о неисправности.
здрасти рено магнум проехал 50 000км повсевременно недостаток 200 меняю предохранитель ф16 вроде заводился и работал но позже шеф перебрал головки поменял кольца и машина проехала 260 км и все остальные чем просто не заводится ошибок море после еще одного сервиза появилась ALTERNFTIVE ошибка или предупреждение кто что может поведать
Здрасти. Необходимо проводить диагностику неисправности, для устранения
Здрасти у меня Рено магнум мотор mak при езде указывает defect 200 на 2-3 секунды не действует педаль акселератора. сможете посодействовать? Спасибо!
Здрасти. Нужно проводить диагностику. Звоните
Хороший денек неувязка пришла в свое время движения резко не стал тянуть остановив машину при пробы заглушить движок выключив зажигание она пару месяцев продолжала работать после остановки мотора вышибло ошибку defect 200

Defect — код ошибки на Рено Магнум и Рено Премиум
Комментарии

Функция «Контроль оборотов двигателя»
Фаза БЛОКИРОВКИ СТОЯНОЧНОГО ТОРМОЗА Здрасти. Может быть неувязка с боди либо цепями, глядя какой год машины. Нужно проводить диагностику и отталкиваясь от предпосылки — устранять
Как расшифровать и устранить коды ошибок на Рено
Некоторые проблемы в работе блока можно решить путем его перепрошивки. Рено премиум 450 dxi ошибки крайнем случае придется снимать и разбираться устройство, чтобы выявить неработающие элементы платы.

Если перепайка и ремонт модуля не дали результатов, то устройство подлежит замене. Р Выход из строя центрального блока.
Модуль выполнил самодиагностику и обнаружил проблему, потребуется ремонт или замена устройства. Р Поломка иммобилайзера, предназначенного для защиты машины от угона путем блокировки двигателя. Рено премиум 450 dxi ошибки кабины высокая, кабина оборудованная: Термическая изоляция.
Оборудование для холодного климата “Grand froid” Сиденье на пневмоподвеске с установленным ремнем безопасности. Сиденье пассажира регулируемое с ремнями безопасности.
Открытые отсеки для вещей на дверцах. Обивка дверей Люкс. Рукоятки дверей цвета серый металлик мягкой текстуры. Неисправность найдена.
Снимаем клапан AVU с автомобиля. Подаем от лабораторного блока питания напряжение 24 В. Соеденяем массу с 2 контактом: Далее на 6 контакт подаем массу: Клапан AVU под замену, работа выполнена. О услуге компьютерная диагностика вы можите узнать подробнее по этой ссылке.
—> Дальнобой-mangruzovik.ru. Инструкции для ремонта спецтехники. —>
- неисправность по цепям питания шин 30 (+ АКБ), 15 (зажигание) и 50 (старт) блока управления двигателя;
- отказ датчиков системы управления двигателя, цепей электропроводки к ним (в этом случае должны диагностироваться дополнительные ошибки);
- нарушения контактов разъемов по электропроводке системы управления двигателем;
- неисправность в системе иммобилайзера (нарушение связи с блоком управления, привязки чип-ключа, отказ петли накачки в составе замка зажигания);
- неисправность замка зажигания;
- проблемы с CAN-шиной;
- ошибки компьютера Рено Магнум или Премиум;
- установка нештатной автомагнитолы.
Ошибка на РЕНО. Необходимо провести компьютерную диагностику на наличие и расшифровку ошибок, а так. Инструмент, изготавливаемый по месту 1. Установка на стенд 1. Снятие навесного оборудования 2. Установка натяга ремней 2. Снятие со стенда 1. Головки блока цилиндров 2. Затяжка креплений головок блока цилиндров 3. Регулировка указателя ВМТ 4.
