На Ваз 2110 Ошибка Датчика Распредвала… Ошибка р1513
Датчик распредвала на ВАЗ 2110
Датчик положения распределительного вала (возможные названия — ДПРВ, датчик фазы, датчик Холла) — это электронное устройство, которое контролирует технические характеристики двигателя, а так же является частью электронной системы управления двигателем.
Он предназначен для определения углового положения распределительного вала, в соответствии с положением коленчатого вала. Информация, которая поступает от ДПРВ, считывается электронным блоком управления двигателем для управления впрыском топлива и зажиганием. Как правило, ДПРВ функционально связан с датчиком частоты вращения коленчатого вала, который расположен на его шкиве.
Область применения — современные инжекторные бензиновые или дизельные двигатели внутреннего сгорания.
В зависимости от модификации двигателя, датчик распредвала ВАЗ 2110 имеет две разновидности его конструкции:
Щелевой. Чувствительный элемент имеет П-образную форму, а движущийся элемент (метка) задающего диска проходит между его половинами.

ДПРВ на ВАЗ 2110 8 клапанов или 16 клапанов не имеют функциональных или конструктивных отличий.
MasteraVAZa » Датчик распредвала ВАЗ 2110 и его замена
- визуальный осмотр на предмет целостности устройства и его проводки;
- проверка разъема устройства. Разъем подвержен износу или загрязнению;
- проверка электропроводки устройства с помощью вольтметра на предмет проводимости электричества (позволяет найти неисправный провод);
- проверка устройства с помощью вольтметра на предмет соответствующего сопротивления;
- компьютерная диагностика блока управления двигателем и расшифровка выявленных кодов ошибок.
Распиновка датчика распредвала ваз 2112 16 клапанов Что касается самих характеристик, то компонент должен соответствовать размерам детали, устанавливаемой в данной модели авто. Если характеристики соблюдены не будут, возможно, в самый разгар ремонта вам придется идти в магазин за новым сальником.
Как механик диагностирует ошибку P0340?
При диагностировании данного кода ошибки механик выполнит следующее:
- Считает все коды ошибок, сохраненные в памяти PCM, с помощью сканера OBD-II
- Проверит провода датчика положения распределительного вала на предмет короткого замыкания, коррозии и наличия повреждений
- Проверит соединитель датчика положения распределительного вала на предмет короткого замыкания, коррозии и наличия повреждений
- Осмотрит датчик положения распределительного вала на наличие повреждений
- Проверит целостность цепи датчика положения распределительного вала
- Устранит все ошибки, которые сохранились в памяти PCM вместе с ошибкой P0340
- Проверит напряжение датчика положения распределительного вала, используя сканер или осциллограф
- При необходимости, заменит датчик положения распределительного вала
- Если с датчиком положения распределительного вала, а также соответствующими электрическими компонентами все в порядке, проблема может заключаться в неисправности PCM. В этом случае потребуется замена или перепрограммирование модуля

Признаки неисправности датчика распредвала
Ошибка Р1513

Датчик распредвала на ВАЗ 2110
- Мотор отказывается запускаться.
- Машина заводится с большим трудом.
- Двигатель глохнет на холостых оборотах.
- Появляются провалы и теряется былая мощь.
- Увеличивается расход топлива.
- Мотор начинает троить.
- Горит Check Engine.
Коды ошибок ВАЗ 2110 8, 16 клапанов — инжектор: неисправности на щитке приборов Говорит о чрезмерно бедной смеси и возникает, когда начинает выходить из строя лямбда-зонд. Причина кроется в подсосе воздуха или трещинах в патрубках вентиляции картера. Бывает виновным сломанный датчик температуры воздуха.
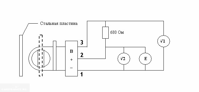
Самодельный стенд для проверки
Дальше приводится схема, собрав которую, можно будет проводить тестирование. Кажется, что датчик можно было оставить на двигателе. Но важна не только электрическая часть, но и возможность убирать и подносить стальную пластину.

Итак, взяв аккумулятор E (12 Вольт) и два вольтметра, собираем схему. Дальше проводим тест:
- На «свободном датчике» вольтметр V1 покажет напряжение 0,4 В (или меньше);
- Если в прорезь установить пластину от трансформатора, напряжение изменится до 10,8-11,5 В.
Размеры пластины: 20x80x0,5 мм или больше. Если на «шаге 1» напряжение было выше указанного, датчик неисправен. На «шаге 2», наоборот, значение должно превышать V2*0,89.
Схему стенда мы не придумали, а взяли из информационного письма. На разных моторах ВАЗ-2112 датчик фаз проверяют по-разному (см. фото).
Для тех, кто понял не всё
Прямоугольник, показанный на схеме – это резистор. Сопротивление равно 680 Ом, мощность – любая. Источником питания может быть не только АКБ, но и 12-вольтовый адаптер.
В качестве элемента E может выступать ЛАТР с выпрямителем. Тогда, во-первых, старайтесь не превышать напряжение, а во-вторых, подключайте массу (вывод 1) к «земляному» отводу ЛАТРа.
Код 0603
- Включается лампа CHECK; (0343, 0346);
- Стартер крутит дольше обычного на 1-2 секунды;
- При нажатии на «газ» разгон начинается не сразу: 1 или 2 дёрганья, затем – разгон.
Как посмотреть ошибки на ВАЗ 2110 на бортовом компьютере Смесь в цилиндрах слишком обогащена. Возможно, требуется замена датчика.
Замена датчика распредвала
- Автомобиль подготавливается к проведению работ по замене оборудования: моется, чистится и устанавливается в фиксированном положении.
- Снимается декоративная накладка на двигателе автомобиля.
- Освобождается фиксатор.
- Отсоединяется клемма проводов, которая подключает сам механизм к проводке машины.
- Минусовый щуп омметра должен быть укреплен на кузове автомобиля.
- Включается зажигание автомобиля.
- Омметр делает необходимые измерения. Следует подвести свободный щуп прибора к колодке проводов.
Примечание: напряжение, которое будет показано на омметре не должно показывать результат менее 12 В. Если оно меньше или вовсе отсутствует – аккумуляторная батарея разряжена.
Также, причина может быть в неисправности цепи питания или ЭБУ.
- Используя торцовый ключ с ходом в 10 миллиметров, откручиваются два соединительных болта датчика с кронштейном.
- Датчик без особых усилий удаляется из автомобиля.
Примечание: последний тест на неисправность датчика, может быть проведен следующим способом. Берется исправный механизм и подключается на место прежнего оборудования.
Если датчик работает – устанавливается новое оборудование, в противном случае необходимо искать поломку в других местах.

Выбор
- При использовании автомобиля, грязь попадает на датчик с ремня ГРМ. На ремне она образуется в результате утечки масла из крышки мотора.
Последствиями такого скопления грязи может стать проблематичный завод автомобиля, слабый разгон, малые обороты (редко показатель превышает 3 500 оборотов).
Поломка 14 Для нормальной работы ДПРВ требуется подача постоянного тока.
Устранение неисправностей датчика распределительного вала (CMP)

Тем не менее, несколько простых проверок Вы сможете сделать самостоятельно, используя для этого цифровой мультиметр (DMM).
Во-первых, проверьте у датчика распредвала электрический разъем и состояние самих проводов. Отсоедините сам разъем и проверьте, нет ли на нем признаков ржавчины или загрязнений. Например, того же топлива. Все это может мешать хорошему контакту для передачи электричества.
Затем, проверьте наличие повреждений проводов, а именно, не порваны ли провода, не наблюдаются ли на них признаки плавления от близлежащих горячих поверхностей.
Кроме всего, убедитесь пожалуйста, что провода датчика распредвала не касаются свечей зажигания или катушек зажигания, которые могут давать помехи и мешать датчику передавать правильный сигнал.
После вышеописанных проверок используйте цифровой мультиметр, который может тестировать переменный ток (АС) напряжения или постоянный ток (DC), в зависимости от конкретного типа датчика распредвала, который используется в вашем автомобиле.
Также, перед тестированием Вам нужно выставить на мультиметре правильные электрические параметры для конкретного типа датчика СРМ. Обычно подобная информация указывается в руководстве по ремонту и обслуживанию автомобилей.
Некоторые датчики распредвала позволяют создать разветвитель электрической цепи датчика СМР, сделано это в первую очередь для того, чтобы считать сигнал непосредственно с самого датчика во время его работы в автомобиле.
Если тип вашего датчика не позволяет подсоединить к нему провода мультиметра, то Вы можете просто отсоединить разъем с датчика и прикрепить к нему медную проволоку, вставив таким образом ее в каждый разъем датчика.
Затем можно подключить этот разъем обратно к датчику соблюдая при этом осторожность, чтобы не замкнуть сами провода во время тестирования. Если Вы будете использовать (применять) этот метод, то не забудьте предварительно заизолировать провода изолентой.
Тестирование двухпроводного датчика распредвала
- Если в вашей машине датчик распредвала имеет два провода, то это означает, что автопроизводитель установил на автомобиль магнитный тип датчика СМР. В этом случае необходимо установить на мультиметре «переменное напряжение«.
- Теперь надо проверить наличие электричества, которое должно протекать через контур датчика. Возьмите один контакт мультиметра и прислоните его к «земле» (любой металлической части на двигателе). Другой контакт мультиметра Вы должны прислонить к каждому проводу которые Вы уже подсоединили к разъему датчика распредвала. Если ни на одном из проводов нет электрического тока, то значит датчик распредвала полностью неисправен.
Шифр 0300
- Прислоните один контакт мультиметра к одному проводу датчика распредвала, а другой контакт измерительного оборудования подсоедините ко второму проводу датчика. Посмотрите на дисплей мультиметра. Сверьте показатель со спецификацией указанной в руководстве по ремонту автомобиля. В большинстве случаев вы уведите колеблющийся сигнал от 0,3 до 1 вольта.
Проверка ДПРВ с помощью осциллографа Важно заметить, что после выполнения любых действий, направленных на устранение выявленных неисправностей, необходима повторная проверка работы двигателя.
Неисправности
К первичным признакам неисправности ДПРВ можно отнести нестабильную работу двигателя, плохой запуск, плохую динамику, потерю мощности и произвольную остановку двигателя, загоревшийся индикатор Check Engine.

Однако данные симптомы могут свидетельствовать о поломке любого электронного элемента двигателя.
Для выявления конкретных неисправностей датчика положения распредвала необходимо выполнить следующие действия:
- визуальный осмотр на предмет целостности устройства и его проводки;
- проверка разъема устройства. Разъем подвержен износу или загрязнению;
- проверка электропроводки устройства с помощью вольтметра на предмет проводимости электричества (позволяет найти неисправный провод);
- проверка устройства с помощью вольтметра на предмет соответствующего сопротивления;
- компьютерная диагностика блока управления двигателем и расшифровка выявленных кодов ошибок.
Ошибка 0562
Появляется, когда сигнал в цепи датчика положения дроссельной заслонки излишне низок. Причина — отсутствие напряжения из-за поврежденного провода.
ВАЗ 2110: ошибка 560

Симптомы неисправности датчика фаз
- В первую очередь следует демонтировать ремень газораспределительного механизма ВАЗ 2110.
- Затем вам потребуется гаечный ключ на «17». Возьмите инструмент и начните откручивать винт, крепящий зубчатый диск распределительного шкива. Вам нужно сделать так, чтобы шкив не проворачивался. Для этого потребуется пропустить через отверстие в нем головку на «10», которая должна быть одета на удлинитель. Зацепите гайку крепления задней крышки ремешка привода газораспределительного устройства.
- После этого, при помощи отвертки, подденьте диск распределительного шкива и произведите его демонтаж. В этот момент будьте осторожны: шпонку зубчатого диска ни в коем случае потерять нельзя. Демонтируйте ее из места установки.
- Теперь, используя ту же отвертку, подденьте сальник распредвала, который следует заменить и демонтируйте его.
- Возьмите новый сальник и смажьте его кромку и место установки моторной жидкостью. Если вы не смажете маслом сам элемент, то стук может и не пройти. Для установки компонента вам понадобится небольшой кусочек трубы. Сальник нужно будет осторожно запрессовать. Для этого также понадобится молоток.
- Всю последующую сборку проведите в обратном порядке. Не забудьте выставить правильно по меткам ремень газораспределительного механизма.
Код 0113 Напряжение в сети машины упало ниже допустимого уровня. Проблема кроется в контактах, целостности проводки или неправильной работе аккумулятора.
