Не Горит Лампа Аккумулятора Ваз Нива • Панель нива 2131
Устройство комбинации (щитка) приборов, обозназначения контрольных ламп, указателей и табло
ВАЗ 2121 или Lada 4×4 производится с 1977 года. В течение всего периода выпуска кузов внедорожника немного менялся, а салон дорабатывался, например, изменения касались щитка приборов. Рассмотрим виды приборных панелей Lada 4×4 и их описание.
Наиболее часто встречаемые комбинации приборов (каталожные номера):
Несмотря на то, что панели приборов отличаются, индикаторы показывающие состояние систем автомобиля остаются неизменными и разделяются по цветам:
- Зеленые и синие лампы — информационные;
- Желтые лампы — информирующие (Внимание!);
- Красные лампы — аварийные, движение запрещено!
Рассмотрим описание панели приборов на примере последней модели ВАЗ 21214.

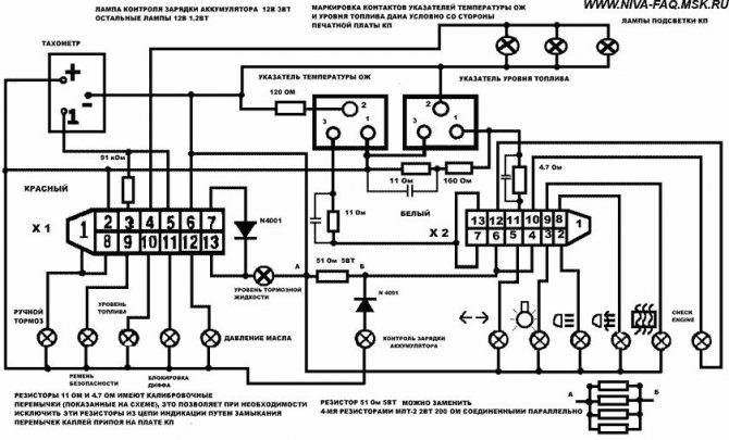
| № штекера | Адрес штекера | |
| Колодка X1 (красного или оранжевого цвета) | Колодка Х2 (белого или другого цвета, кроме красного/оранжевого) | |
| 1. | ─ | ─ |
| 2. | К клемме «15» выключателя зажигания | Контрольная лампа дальнего света |
| 3. | Низковольтный вход тахометра | К габ. освешению (контрольная лампа) |
| 4. | К регулятору освещения приборов | К клемме «15» замка зажигания |
| 5. | Высоковольтный вход тахометра | К выключателю аварийной сигнализации |
| 6. | Корпус (масса) | К выходу «D» генератора |
| 7. | К клемме «50» замка зажигания (стартер) | ─ |
| 8. | К выключателю контрольной лампы стояночного тормоза | Контрольная лампа противотуманных фонарей |
| 9. | ─ | Контрольная лампа обогрева заднего стекла |
| 10. | К лампе резерва топлива | Check Engine |
| 11. | К датчику блокировки дифференциала | К датчику уровня топлива |
| 12. | К датчику аварийного давления масла | Check Engine |
| 13. | К датчику уровня тормозной жидкости | К датчику температуры охлаждающей жидкости |
Ваз 21214 панель приборов обозначения лампочек
- Не работают лампочки. Если сразу отказала вся подсветка, вероятнее всего, проблема кроется в плохом питании. Если же не работают только несколько или одна лампа, то индикатор следует заменить на новый.
- Не работает спидометр. Электронная проблема, решает путем демонтажа приборки и поиска плохого контакта или вышедшего из строя элемента платы. Аналогично решается проблема и поломки тахометра.
- Механические повреждения приборки, обусловленные ударами и прочими воздействиями на нее. Если приборка перестала работать из-за этого, необходимо ее снимать и тестировать, чтобы определить вышедший из строя элемент.
- Перелом проводов, эту неисправность также можно отнести к поломкам механического плана.
- Новая приборка после подключения может не работать из-за неправильного подключения.
- Окисление контактов на штекерах, из-за этого могут не работать датчики и контроллеры. Решается проблема путем зачистки контактов.
Комбинация приборов, котрольные лампы и датчики Нива ВАЗ 21213, 21214, 2131 lada 4×4 11 — кнопка сброса показаний.
Устройство дворников на ВАЗ-21213
Реле предназначено для обеспечения от девяти до семнадцати активаций электрического двигателя на одну минуту, при этом температура должна быть от отрицательных 20 до положительных пятидесяти градусов, с силой напряжения системы питания в десять вольт.
При активации дворников на автомобиле Нива 21214 и 21213 каждая щётка способна произвести максимально четыре двойных хода в непрерывном режиме. Степень сопротивления электромагнитной обмотки на реле составляет 66 +-2 Ом, а обмотки у прерывателя составит 23 +-1 Ом.
Щётки дворников для ВАЗ-21213 и -21214
Когда автовладелец желает установить на свою Ниву дворники, то у него начинает возникать большое количество вопросов касательно стеклоочистительных щёток. Насколько часто необходимо заменять щётки? Щетка, какой разновидности лучше подходит? И подобные.
Читайте также: Chevrolet Niva (2123) 1.7 5дв. внедорожник, 80 л.с, 5МКПП, 2002 – 2009 г.в. — шум в коробке передач
Часто ли нужно менять щётки, установленные на дворники? – этот вопрос каждый владелец машины Нива-21213 либо Нива-21214 должен решать для себя сам.
Очень важно помнить, что отличная видимость является основой безопасных поездок на машине. Поэтому если нынешние дворники отказываются должным образом выполнять свою задачу, то их стоит немедленно поменять на новые экземпляры.
Например, в городе Санкт-Петербурге стеклоочистители на машинах за зимние месяцы приходят в негодность. Ниву рекомендуется оборудовать новыми щётками для стеклоочистителей дважды за год: по завершению последнего зимнего месяца и в первом летнем месяце.
Какими стеклоочистительными щётками рекомендуется оборудовать Ниву? Есть две разновидности: бескаркасные и каркасные.
Первый вид предназначается для обеспечения более равномерного прижимания к поверхности стекла. Если водитель «выпускает» свою Ниву на мороз, то бескаркасные стеклоочистители не будут замерзать. При большой скорости перемещения они не будут издавать много шума.
Правда есть один недостаток: с течением времени бескаркасные щёточки стираются и начинают царапать лобовое стекло. Какие щётки ставить на Ниву решать вам: можно сэкономить на качестве либо приобрести первоклассный дорогой экземпляр.
Размеры щёток дворников для автомобилей ВАЗ 21213-21214
Размеры стеклоочистительных щёток на моделях ВАЗ 21213-21214 абсолютно симметричны, в большинстве случаев составляют около пятидесяти одного сантиметра со всех сторон. Ещё у автовладельца имеется возможность устанавливать щётки, которые будут иметь иной размер: со стороны водителя – до пятидесяти трёх сантиметров, а со стороны пассажира – до пятидесяти одного сантиметра.
Стоит помнить, что при поставке обеих стеклоочистителей, размер которых будет составлять по пятьдесят три сантиметра каждый, то появится тонкая струйка воды посередине.

| F11 (8А) | Лампы указателей поворота и реле-прерыватель указателей поворота и аварийной сигнализации (в режиме аварийной сигнализации) |
| F12 (8А) | Реле дневных ходовых огней, лампы дневных ходовых огней |
| F13 (8А) | Лампы и реле заднего противотуманного огня |
| F14 (16А) | Прикуриватель |
| F15 (16А) | Резервный |
| F16 (8А) | Резервный |
Почему не горит лампочка аккумулятора при включении зажигания? Список банальных проблем
- Основная часть предохранителей располагаются в салоне Нивы под панелью слева от рулевой колонки. Всего 4 блока:
- 1 — блок предохранителей системы управления двигателем; 2 — реле стеклоочистителя ветрового стекла; 3 — блоки предохранителей; 4 — блок реле системы управления двигателем.
- Четвертый блок реле находится над педалью газа.
Панель приборов Нивы 21214, 21213, 2121: описание обозначений Проверьте щетки генератора. Для этого достаньте их и измерьте длину. Если она меньше пяти миллиметров, то щетки лучше заменить.
Приборка Нивы Урбан

В версиях до 2022 года ставили щиток, изображенный выше. Панель получила множество спорных откликов от автолюбителей. Огромное сомнение вызывает необходимость наличия двух дисплеев, куда изготовитель не перенес основные индикаторы.
Для большинства классических версий актуальны проблемы.
- Перегорел соответствующий предохранитель. Обычно это вставка F2.
- Имеются проблемы с проводкой. В классических моделях авто подобные проблемы не редки. Здесь следует проверять провода на предмет повреждений изоляции, расшатывание, окисление контактных групп, обрывы.
- Повреждение приборки. Здесь следует проверить схему устройства на предмет поломок и наличия подгораний.
Если речь идет о современных модификациях с ЭБУ, поиск проблемы легче выполнить посредством компьютерной диагностики. Стандартные ошибки БК точно укажут на расположение неисправности.
Не горит панель приборов Нивы
Аналогично проверяется подсветка щитка. Если панель периодически моргает либо погасла только часть индикаторов — проверьте проводку. Здесь обычно окисляются контактные группы. Также возможно нарушение целостности изоляции, перегорание отдельных лампочек. Если подсветка погасла целиком — проверьте предохранитель освещения.
Почему не горит лампочка аккумулятора при включении зажигания
- Зеленый/синий – индикаторы этих цветов указывают на нормальную работу узлов машины.
- Оранжевый/желтый – говорят водителю, что определенный агрегат требует внимания или обслуживания.
- Красный – самый опасный цвет. Если на приборке загорается такого цвета лампа, машину требуется срочно показать мастеру.
Предохранители нива 21214 инжектор и их маркировка Первый вид предназначается для обеспечения более равномерного прижимания к поверхности стекла. Если водитель «выпускает» свою Ниву на мороз, то бескаркасные стеклоочистители не будут замерзать. При большой скорости перемещения они не будут издавать много шума.
Основные причины
- Разрядился аккумулятор – самая распространённая причина. При включении бортовой сети и поворота ключа в замке зажигания до запуска двигателя происходит падение напряжения до критического уровня, контрольная лампочка не загорается, остальная индикация на приборной панели горит тусклым светом, пуск силового агрегата невозможен.
- Перегорел предохранитель – вышедший из строя предохранитель в монтажном блоке отключает питание лампочки АКБ. Как правило, в общей цепи он отвечает за всю подсветку щитка приборов номиналом на 10 Ампер.
- Неисправность электрической цепи – окисление контактов на разъёмах, либо плохо закреплённые клеммы, предохранитель в гнезде или обрыв участка проводки приводит к отказу индикатора АКБ. Проблема также может быть вызвана нарушенной изоляцией – короткими замыканиями.
- Перегорел индикатор – светодиод (лампочка) вышла из строя.
- Неисправно реле предохранителей – в отечественных моделях автомобилей (классика ВАЗ) монтажный блок предохранителей снабжён реле на каждую цепь по отдельности. Отказ реле на участке к индикатору отключает питание.
- Другие причины – поломка узла генератора. Диодный мост или реле напряжения работают с нарушениями, происходят скачки напряжения в сети с увеличением оборотов двигателя, нет зарядки аккумулятора (в таких случаях лампочка может гореть постоянно, либо мерцать с последующим отключением).
Поиск неисправного элемента начинают с проверки уровня заряда АКБ. Для замера напряжения на клеммах используют мультиметр, либо вольтметр. Снимать показания необходимо в двух режимах:
- без нагрузки с отключенным зажиганием и снятой клеммой «минус»;
- под нагрузкой: повернув ключ в замке зажигания, и включив любой потребитель (ближний свет фар, кондиционер).

Щупы мультиметра в режиме вольтметр подсоединяют последовательно: плюсовая клемма – красный контакт, минусовая – чёрный. Нормальное значение напряжения АКБ в состоянии покоя при 100% заряде 12,05 – 12,6 Вольт.
Вольтаж аккумулятора напрямую зависит от степени заряда: если уровень понижен до 10%, то максимальное напряжение без нагрузки на клеммах будет около 11,3 Вольт.
После замера под нагрузкой напряжение на исправной АКБ восстанавливается в течение 15-30 секунд. Его замеряют вновь, определяя ёмкость заряда. Далее обязательно проверяют окислы на клеммах, состояние силового кабеля на предмет повреждения изоляции и надёжность крепления провода заземления «на массу».
Электрическую цепь вначале осматривают, проверяя крепления контактов и обрывы. Если видимых нарушений обнаружить не удалось, то мультиметр включают в режим омметра и «прозванивают» каждый участок по отдельности: от АКБ до генератора, от выводов ротора до монтажного блока предохранителей, катушки зажигания и приборной панели (контакты контрольной лампочки).
Описание, электросхема и замена блока предохранителей ВАЗ 21214 Нива инжектор: схема расположения электрооборудования, расшифровка обозначений с фото и видео
Отказала приборка на Ниве — причина 1 – тахометр; 2 – стабилизатор напряжения; 3 – лампа освещения комбинации приборов; 4 – указатель температуры охлаждающей жидкости; 5 – указатель уровня топлива; 6 – контрольная лампа системы снижения токсичности; 7 – контрольная лампа обогрева заднего стекла; 8 – контрольная лампа противотуманного света;
Нива: не работает приборка
Решить проблему можно несколькими путями.
- На версии с карбюратором следует проверить предохранитель и само устройство. Могут работать поворотники и остальные приборы машины.
- Если авто не заводится – неисправность вероятно произошла на инжекторной машине. Здесь потребуется выполнить компьютерную диагностику.
Приборка Нивы постоянно менялась и обновлялась. Доска, независимо от модификации информативна и легко воспринимается зрением.

Специализация: Закончил государственный автомобильный университет, проработал 20 лет на ГАЗ-56, сейчас езжу на жигулях.
![]() | |
| Вариант 1 (обновлённый, в т.ч. Urban) | Вариант 2 |
Обозначение и электросхема основного и дополнительного БП
- Перегорел соответствующий предохранитель. Обычно это вставка F2.
- Имеются проблемы с проводкой. В классических моделях авто подобные проблемы не редки. Здесь следует проверять провода на предмет повреждений изоляции, расшатывание, окисление контактных групп, обрывы.
- Повреждение приборки. Здесь следует проверить схему устройства на предмет поломок и наличия подгораний.
Инструкция по снятию и установке Схема основного и дополнительного блоков
Как работает система подзарядки?
Cхема подключения лампочки зарядки аккумулятора
Чтобы определиться с причинами этих проблем, рассмотрим упрощенно электрическую цепь подзарядки. Она в себя включает генератор, аккумуляторную батарею, блок предохранителей, замок зажигания и контрольную лампу на приборной доске. Электрическая цепь подзарядки включает в себя две ветки:
- Первая идет от АКБ к одному из выводов генератора, а от него – через замок и блок предохранителей провод тянется к контрольной лампочке.
- Вторая ветка тянется от регулятора напряжения генератора и также идет к выводу лампочки аккумулятора.
Работает все очень просто: при включении замка зажигания ток от батареи через генератор и блок предохранителей поступает на контрольную лампу. Поскольку генератор не вырабатывает энергию, то на второй ветке цепи напряжение отсутствует. За счет разности потенциалов на выводах лампы, подающееся напряжение приводит к загоранию контрольки, что указывает на целостность цепи.
После запуска мотора электроэнергия вырабатывается генератором и подается на обе ветви электрической цепи, что приводит к выравниванию потенциала на выводах лампочки аккумулятора, и она гаснет. Поскольку генератор и аккумулятор напрямую связаны первой ветвью, то напряжение подается и на батарею для подзарядки.
Если лампа аккумулятора загорелась при работающем двигателе, это указывает на появление разности потенциалов на выводах лампы, которое может появиться по различным причинам. Поскольку электрическая цепь системы подзарядки аккумуляторной батареи очень проста, то обнаружить причину горящей на ходу контрольной лампы не так уж и сложно.
Отметим, что загорание лампочки не всегда указывает на то, что зарядка на батарею не поступает. Неисправность может возникнуть на участках цепи от генератора до лампы, что приводит к разности потенциала, из-за которой контролька будет гореть. Но если генератор в порядке, то при работающем двигателе он будет подавать напряжение на батарее.
Понять, где возникла поломка – в генераторе или цепи, достаточно просто даже в дороге. При заведенном моторе снимаем «плюсовую» клемму с аккумулятора. Если при этом мотор продолжит работать, то генератор запитывает бортовую сеть, то есть, он свою функцию выполняет. А вот если мотор остановиться, нужно разбираться, почему генератор не питает сеть.

Устройство комбинации (щитка) приборов, обозназначения контрольных ламп, указателей и табло
- контрольную лампочку на двенадцать Вольт,
- две отвертки (с плоским и крестообразным жалом),
- мультиметр,
- пассатижи,
- ножик,
- для зачистки контактов используйте наждачную бумагу.
Замена блока ВНИМАНИЕ!
В случае загорания сигнализатора аварийного давления масла, немедленно прекратите движение, заглушите двигатель и обратитесь на аттестованное ПССС для устранения неисправности, т.к. недостаточное давление в системе смазки приведет к тяжелым повреждениям двигателя.

