Ошибка 8 на Щитке Приборов Ваз 2110 © Расшифровка кодов
САМОДИАГНОСТИКА КОМБИНАЦИИ ПРИБОРОВ КАЛИНА/ПРИОРА
- При выключенном зажигании нажать на кнопку «Reset» (сброс суточного пробега). Удерживая кнопку включить зажигание.
- Панель приборов перейдет в режим самодиагностики, на дисплее загорятся все позиции сегментов, загорят все индикаторы, а стрелки будут совершать полный путь.
- Кнопкой управления на правом подрулевом переключателе переключаемся между режимами (самодиагностика, версия прошивки, коды ошибок).
- Чтобы сбросить ошибки, нужно находится в режиме ошибок и нажать и удерживать кнопку «Reset» более 3с.
- Выход из режима диагностики происходит автоматически после бездействия в течении 20-30 сек.
Расшифровка кодов ошибок в приборной панели:
- 2-повышенное напряжение бортовой сети;
- 3-ошибка датчика уровня топлива (если в течении 20с определяется обрыв цепи датчика);
- 4-ошибка датчика температуры охлаждающей жидкости (если в течении 20с определяется обрыв цепи датчика);
- 5-ошибка датчика наружной температуры (если в течении 20с отсутствуют показания датчика, индикация на ЖКИ «-С»);
- 6-перегрев двигателя (критерий для срабатывания аккустического сигнализатора выполнен);
- 7-аварийное давление масла (критерий для срабатывания аккустического сигнализатора выполнен);
- 8-дефект тормозной системы (критерий для срабатывания аккустического сигнализатора выполнен);
- 9-аккумуляторная батарея разряжена (критерий для срабатывания аккустического сигнализатора выполнен);
- Е-определение ошибки в пакете данных, заложенном в EEPROM.
| Описание поломки | |
| Р0300 | Блок управления передает сигнал об отсутствии искры во всех цилиндрах двигателя 16 клапанов авто. |
| Р0326 | Некорректный сигнал, поступающий на блок управления с датчика детонации. Рекомендуется произвести более тщательную проверку устройства. |
| Р0327 | В цепи датчика детонации произошел обрыв или замыкание. Следует проверить цепь. |
| Р0335, Р0336 | Возникли ошибки в работе датчика коленчатого вала. Кроме того, такие комбинации могут свидетельствовать о некорректном сигнале, поступающем с устройства на бортовой компьютер. |
| Р0337 | Устройство контроля положения коленчатого вала замыкает на массу. |
| Р0338 | Произошло короткое замыкание или обрыв в цепи датчика коленвала. |
| Р0342 | В цепи датчика фар зафиксирован слишком низкий сигнал |
| Р0343 | Зафиксирован слишком высокий сигнал в цепи того же устройства. |
| Р0422 | Произошла поломка нейтрализатора, рекомендуется заменить устройство. |
| Р0444 | Блоком управления Лада Приора зафиксирован обрыв в проводке клапана адсорбера. |
| Р0445 | Клапан адсорбера закоротил на массу. |
| Р0480 | Произошел обрыв в проводке реле вентилятора, следует произвести проверку реле и при необходимости заменить его. |
| Р0481 | В проводке вентилятора системы охлаждения произошло замыкание. |

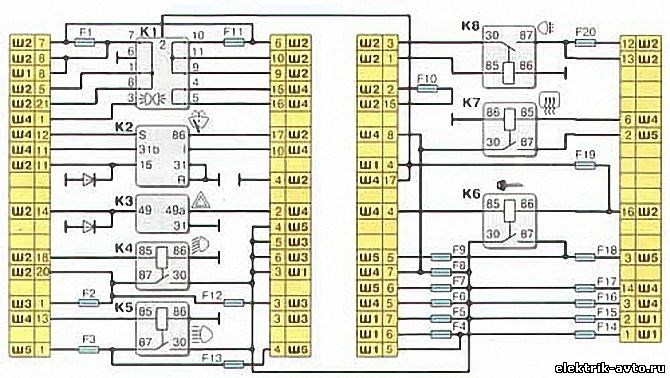
| Расположение реле и предохранителей в монтажном блоке К1 — реле контроля исправности ламп; К2 — реле очистителя ветрового стекла; КЗ — реле-прерыватель указателей поворота и аварийной сигнализации; К4 — реле включения ближнего света фар; К5 — реле включения дальнего света фар; Кб — дополнительное реле; К7 — реле включения обогрева заднего стекла; К8 — резервное реле; F1 — F20 — плавкие предохранители. |
Коды ошибок ВАЗ и их расшифровка
- на некоторое время была отключена аккумуляторная батарея;
- имел место скачок напряжения во время запуска мотора, к примеру, в холодную погоду.
Электрооборудование и коды ошибок ВАЗ 2110 2111 2112 — Главная — Статьи — АВТОЭЛЕКТРИК Тахометр комбинации приборов, цепь управления неиспрана
Коды ошибок ВАЗ 2110, ВАЗ 2111, ВАЗ 2112
| Код | Неисправность |
| 12 | Исправность диагностической цепи контрольной лампы |
| 14 | Высокий уровень сигнала датчика температуры охлаждающей жидкости |
| 15 | Низкий уровень сигнала датчика температуры охлаждающей жидкости |
| 16 | Повышенное напряжение бортовой сети |
| 17 | Пониженное напряжение бортовой сети |
| 19 | Неверный сигнал датчика положения коленчатого вала |
| 21 | Завышенное напряжение сигнала датчика положения дроссельной заслонки |
| 22 | Недостаточное напряжение сигнала датчика положения дроссельной заслонки |
| 24 | Отсутствует сигнал от датчика скорости автомобиля |
| 27 | Высокий уровень сигнала СО-потенциометра |
| 28 | Низкий уровень сигнала СО-потенциометра |
| 33 | Неверный сигнал датчика массового расхода воздуха (высокая частота сигнала на выходе датчика) |
| 34 | Неверный сигнал датчика массового расхода воздуха (низкая частота сигнала на выходе датчика) |
| 35 | Отклонение оборотов холостого хода |
| 43 | Неверный сигнал датчика детонации |
| 51 | Ошибка программируемого постоянного запоминающего устройства (ППЗУ) |
| 52 | Ошибка контроллера (ошибка ОЗУ) |
| 53 | Ошибка электрически программируемого запоминающего устройства (ЭПЗУ) |
| 80 | Ошибка связи с иммобилизатором |
Цепи, защищаемые плавкими предохранителями.
№ предохранителя Защищаемые цепи (номинальный ток)
Лампы фонарей освещения номерного знака.
Электродвигатели стеклоподъемников дверей.
Электродвигатель вентилятора системы охлаждения двигателя.
Очистители и омыватели ветрового заднего стекла и фар.
Обмотка реле включения обогрева заднего стекла.
Контрольная лампа включения дальнего света фар.
Реле-прерыватель указателей поворота и аварийной сигнализации (в режиме аварийной сигнализации).
Контрольная лампа аварийной сигнализации.
Реле контроля исправности ламп стоп-сигнала и габаритного света.
Указатели поворота с контрольными лампами.
Блок индикации бортовой системы контроля.

| Схема соединений монтажного блока (наружная цифра в обозначении наконечника провода — номер колодки, а внутренняя цифра — условный номер штекера) К1 — КЗ — реле (см. выше). |
Коды ошибок ваз 2110 16 клапанов
Зная, что означает ошибка номер 8 на панели приборов, легко определить причины её появления. Основных причин всего две. Это – разряженный или неисправный аккумулятор либо вышедший из строя генератор.
Можно ли ездить с ошибкой 8?

Коды ошибок ваз 2110 16 клапанов
Ошибка 8 на ВАЗ-2114: что означает и как ее исправить? Форсунка цилиндра 2, обрыв цепи управления
Коды ошибок ВАЗ и их расшифровка

Расшифровка кодов ошибок, выдаваемых ЭБУ автомобилей ВАЗ
Нагреватель датчика кислорода до нейтрализатора, обрыв цепи управления
Нагреватель датчика кислорода до нейтрализатора, замыкание цепи управления на массу
Нагреватель датчика кислорода до нейтрализатора, замыкание цепи управления на борт. сеть
Нагреватель датчика кислорода после нейтрализатора, обрыв цепи управления
Нагреватель датчика кислорода после нейтрализатора, замыкание цепи управления на массу
Нагреватель датчика кислорода после нейтрализатора, замыкание цепи управления на борт. сеть
Цепь датчика массового расхода воздуха, низкий уровень сигнала
Цепь датчика массового расхода воздуха, высокий уровень сигнала
Цепь датчика температуры воздуха, низкий уровень сигнала
Цепь датчика температуры воздуха, высокий уровень сигнала
Цепь датчика температуры охлаждающей жидкости, выход сигнала из допустимого диапазона
Цепь датчика температуры охлаждающей жидкости, низкий уровень сигнала
Цепь датчика температуры охлаждающей жидкости, высокий уровень сигнала
Цепь датчика положения дроссельной заслонки, низкий уровень сигнала
Цепь датчика положения дроссельной заслонки, высокий уровень сигнала
Датчик кислорода до нейтрализатора неисправен
Цепь датчика кислорода до нейтрализатора, низкий уровень выходного сигнала
Цепь датчика кислорода до нейтрализатора, высокий уровень выходного сигнала
Цепь датчика кислорода до нейтрализатора, медленный отклик на изменение состава смеси
Цепь датчика кислорода до нейтрализатора неактивна
Датчик кислорода после нейтрализатора неисправен
Цепь датчика кислорода после нейтрализатора, низкий уровень сигнала
Цепь датчика кислорода после нейтрализатора, высокий уровень сигнала
Цепь датчика кислорода после нейтрализатора неактивна
Датчик кислорода после нейтрализатора, нагреватель неисправен
Форсунка цилиндра 1, обрыв цепи управления
Форсунка цилиндра 2, обрыв цепи управления
Форсунка цилиндра 3, обрыв цепи управления
Форсунка цилиндра 4, обрыв цепи управления
Форсунка цилиндра 1, замыкание цепи управления на массу
Форсунка цилиндра 2, замыкание цепи управления на массу
Форсунка цилиндра 3, замыкание цепи управления на массу
Форсунка цилиндра 4, замыкание цепи управления на массу
Форсунка цилиндра 1, замыкание цепи управления на бортовую сеть
Форсунка цилиндра 2, замыкание цепи управления на бортовую сеть
Форсунка цилиндра 3, замыкание цепи управления на бортовую сеть
Форсунка цилиндра 4, замыкание цепи управления на бортовую сеть
Обнаружены случайные/множественные пропуски воспламенения
Цилиндр 1, обнаружены пропуски воспламенения
Коленчатый и распредвал
Расшифровка комбинаций Описание кодов неисправностей контроллеров Bosch МЕ17.9.7 и М74
Причины ошибки 8

Зная, что означает ошибка номер 8 на панели приборов, легко определить причины её появления. Основных причин всего две. Это – разряженный или неисправный аккумулятор либо вышедший из строя генератор.
У последнего чаще всего это говорит о необходимости замены щёток, так как прежние уже износились. Кроме того, код может возникать и в таких случаях, как:
Иногда ошибка указывает и на иные поломки. Но такое встречается очень редко.
Установить точную причину такого поведения авто можно своими силами. Для начала следует визуально осмотреть аккумулятор и генератор, их контакты. На клеммах и разъёмах можно заметить окислы и прочие дефекты. Нередко бывают видимые повреждения проводки. Клеммы батареи могут быть плохо затянуты. В редких случаях можно заметить, что АКБ вздулась.
Нелишним проверить, каково напряжение в бортовой сети на приборной панели. Нужно обратить внимание, в какой момент оно снижается или постоянно остаётся низким. Также следует продиагностировать мультиметром в режиме вольтметра батарею и генератор.
- Установить на измерительном приборе режим вольтметра. Выбрать на нём напряжение около 20 Вольт;
- Подключить чёрный щуп к минусовой клемме аккумулятора, а красный – к плюсовой.
- Оценить показания устройства. Если батарея заряжена, на дисплее должно высветиться не менее 12 Вольт.
Если значение ниже, то АКБ необходимо зарядить. Если и после этого, он не зарядится целиком или будет быстро разряжаться, её следует протестировать нагрузочной вилкой. Это можно сделать самостоятельно или в автосервисе.
Также следует проверить и работу генератора. Для этого нужно:
Что означает ошибка 8 на ВАЗ 2114?
- Бортовой компьютер показывает чрезмерно низкое напряжение;
- Просадки напряжения по показаниям приборной панели;
- Светится индикатор аккумулятора;
- Горит чек на ВАЗ 2114 с 8-клапанным двигателем. Это не всегда свидетельствует о данной неполадке. Значок может загораться по разным причинам. Иногда при наличии кода 8 он может и не появляться вовсе;
- Тусклый или мерцающий свет фар;
- Сложности с запуском двигателя или невозможность его запустить вообще. Мотор может запускаться долго, глохнуть сразу после запуска или во время остановки, например, на светофоре.
Диагностика ЭБУ Реле контроля исправности ламп стоп-сигнала и габаритного света.
Коды ошибок комбинации VDO на панели приборов ВАЗ 2110
- Если остается 0, то ошибки отсутствуют
- При появлении 1 — говорит о неисправности микропроцессора
- Обрыв цепи датчика указателя уровня топлива
- Ошибка 4 — повышенное напряжение питания бортовой сети свыше 16 Вольт
- Ошибка 8 — пониженное напряжение, менее 8 Вольт
- При нескольких неисправностях одновременно может выдаваться цифра, которая будет являться суммой вышеприведенных кодов, например 6 (2+4), 10 (2+8), 12 (4+8) или 14 (2+4+8)
Если говорить откровенно, то особой полезности данные коды неисправностей ни приносят. Если сравнивать с показаниями специальных бортовых компьютеров, типа ШТАТ, то там конечно в десятки раз больше полезной информации и различных данных. Но об этом поговорим как-нибудь в следующих статьях.
Еще у меня приборы отключатся когда едешь и звук какой то пишит уровень топлива тоже плавает меня дут точ такой же ни чё не помогло и масу смотрел на ручнике тоже ноль
У меня показывает на приборах сверху 3456 а снизу 78 что это значит подскажите пож
Здравствуйте ! Помогите с проблемой вчера приехал на авто всё работало до этого чистил форсунки. На следующий день авто завелась но поработав 3-5 сек заглохла и больше не завелась искры нет датчик колевала менял , потом сбрасываю давление в рампе пытаюсь завести заводится на 4 сек и глохнет . Куда копать ?
Подскажите пожалуйста.у меня показывает ошибку 78 . Ваз 21124 16v европанель 2007 года
Здравствуйте у меня ваз 10, 8 клапаны была ошибка 14 я ее збросил надо ехать на диагностику ?
Здраствуйте, У меня ваз 2110 машина не заводиться. Буксиром еле-еле завёл холостой не работают и тройт, постайано надо газовать что надо делать подскажите. И ошибка 8 покзывает, как найти этот нейсправность.
Ваз 2112 16клапанный, при самодиагностике выдает ошибку 818,2…помогити спасити чего делается то)
Здравствуйте, ваз 2112 перестала заводится, на бортовом комп.показывает ошибку 43210
Ошибки сохраняются пока их не сбросить вручную! Также ошибки складываются! Т.е. у вас случились ошибки 8 и 14, то на дисплее выведется ошибка 22.
Помогите пожалуйста стоял грелся минут пять вдруг машина заглохла сама заводил потом тоже сперва Троила играла оборотами от 1000-1500 и опять глохла ,а как только нажимаешь на газ сразу глохнет
Датчик коленвала либо сам коленвал может еще шестерня коленвала
Привет,я делаю все как на видео, но диагностика не выполняется, просто переключает пробег на суточный и все.
Сергей зажми на панели эту кнопку и держи поверни при этом ключ зажигания там все покажет
Реле не ставил на стартер? У них это болезнь, при включенном мафоне или освещении не крутит.
Машина ваз 2112 07 г 1.6 8 кл. После пуска двигателя на холодную, начинает роить и за горестях чек! Глушу, по новой завожу все идеально. Бортовик пишет ошибку 4 и 8.
Здравствуйте горит ошибка 8 ваз 2112 1.6 16кл .

Коды ошибок ВАЗ 2110 и ВАЗ 2112 с расшифровкой
- Сброс не избавляет от неполадки – без вмешательства проблема не исчезнет;
- Для легкого и быстрого сброса нужен сканерOBDII – можно купить простейший от 200 рублей;
- Смотреть ошибку надо сразу как появилась – проблема может быть как неважной, так и критичной для использования машины.
Замена ДПРВ Иногда ошибка указывает и на иные поломки. Но такое встречается очень редко.
