Как сделать ДХО в штатные фары своими руками, схема создания дневных ходовых огней из дальнего света

Дневные ходовые огни во многих странах сегодня являются обязательной оптикой, которая должна быть включенной в дневное время суток. Из-за этого многие автовладельцы столкнулись с необходимостью покупки и установки ДХО в свои авто. Но нашлись и те, кто решили сделать ДХО в штатные фары своими руками. Подробнее об изготовлении и подключении этого типа оптики вы сможете узнать из данного материала.
Правовые нормы в России и Украине
В принципе, соорудить дневные ходовые огни своими руками — не особо сложная задача. Для этого вам потребуются только ровные руки и минимальные знания в области электроники. Однако перед тем, как сделать ходовые огни для своего автомобиля, необходимо точно знать, что гласит буква закона по этому поводу. В противном случае, вы можете столкнуться с проблемой неправильной установки, что приведет к получению штрафов и регулярным остановкам автосотрудниками полиции.
По законам Российской Федерации, ходовые огни на авто должны быть включены в любом случае, независимо от времени года и суток. Это правило было введено еще в 2011 году. Сами ДХО могут использоваться совместно с фарами ближнего света, а также противотуманной оптикой. Но если подключить их к имеющейся оптике не представляется возможным, то их можно установить отдельно от фар головного освещения. Главное, чтобы установка была осуществлена с учетом всех требований и стандартов.

Нормы по установке ходовых огней
Что касается украинского законодательства, то в ПДД указывается, что ДХО в фары — это осветительные приборы.
Но в отличие от российского законодательства, в Украине необходимость включения дневных ходовых огней возникает в нескольких случаях:
- в период с 1 октября по 1 мая в любое время суток;
- при движении в условиях пониженной видимости;
- при езде за пределами населенных пунктов.
Инструкция по изготовлению
Итак, если вы решили установить ДХО в штатные фары своими руками, то процесс установки необязательно доверять специалистам. Разумеется, если вы никогда ранее не сталкивались с подобной задачей, то лучше довериться квалифицированному электрику. Ниже подробно описан процесс изготовления ДХО своими руками.
Инструменты и материалы
В принципе, можно сделать ДХО из дальнего света, но мы рассмотрим процесс изготовления на примере использования корпуса от противотуманок.
Итак, для выполнения задачи вам потребуется следующее:
- светодиодная лента, необходимо отдать предпочтение белому или голубому цвету свечения, вам потребуется не более одного метра;
- противотуманки или корпус от таких фар;
- алюминиевые пластины (автор видео — канал 2673Kostya).
Этапы
Итак, как изготовить дневную ходовую оптику для своего транспортного средства:
- В первую очередь, необходимо аккуратно разобрать корпус противотуманных фонарей. При разборке будет максимально осторожны, нельзя допустить образование трещин и повреждений на корпусе. При помощи строительного или обычного бытового фена нужно будет размягчить слой герметика, который нанесен по периметру стекла. При этом непосредственно стекло нужно будет аккуратно отсоединить от корпуса, когда герметик будет разогрет, для этого вы можете использовать пинцет или тонкую отвертку с плоским наконечником.
Некоторые автолюбители в качестве тюнинга тонируют оптику, для этого может использоваться тонировочная лента или специальное лакокрасочное покрытие. В любом случае, если вы хотите затонировать стекло, то это нужно сделать на данном этапе, после его снятия. - Далее, когда корпус от туманок будет отдельно, нужно будет отключить цепь, отсоединить планки креплений, корпуса и непосредственно сам рассеиватель.
- Теперь вам потребуются алюминиевые пластины, которые вы подготовили. Из них нужно будет вырезать подложки, которые будут использоваться для самих светодиодных компонентов. Обратите внимание на то, что пластина должна быть без повреждений, также на ней не должны присутствовать следы ржавчины. Используя герметик, вам нужно будет закрепить пластины корпусе самого рассеивателя. Сделав это, подождите какое-то время, пока они высохнут.
- После выполнения этих действий переходим к следующему этапу. Теперь вам нужно будет установить светодиодную ленту на эти пластины. Убедитесь в том, что на ленте имеется силиконовая защита, это позволит обезопасить ходовые огни при их эксплуатации в условиях влажности. В том случае, если вы хотите добиться более яркого свечения оптики, то можно установить подряд несколько лент. Но учтите, что в данном случае фары будут более броскими, так они не всегда выглядят эстетично.
- Для более надежной фиксации ленту следует посадить на герметик. После этого производится пайка светодиодных элементов.
- Когда лента будет надежно зафиксирована, производится сборка фар. Вам необходимо установить на корпус оптики стекла, которые вы до этого демонтировали. Для хорошего крепления используйте герметик, при этом убедитесь в том, что он нанесен по всему периметру фары. Если останется хотя бы небольшой негерметичный отрезок, это приведет к тому, что фары будут запотевать.
- Единственное, что вам остается, это сделать рассеиватель. В этом случае у вас есть несколько вариантов — можно произвести фрезеровку стекла или же вылить его из эпоксидной смолы. При этом последний вариант считается более доступным.
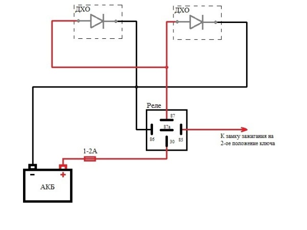
Схема установки ходовых огней
Теперь перейдем к схеме установки. Важным требованием при обустройстве схемы является автоматическое включение оптики при активации зажигания. По схеме включение ДХО должно производиться без использования дополнительных компонентов управления — переключателей. Поэтому вам не нужно будет ставить дополнительную кнопку управления в салоне авто. Для установки ДХО по данной схеме оптику следует подключить к зажиганию.
Фотогалерея «Схемы для подключения»



Как подключить самостоятельно ДХО?
Чтобы подключить самодельные ДХО, выполните следующие действия:
- Для обеспечения активации оптики с зажиганием можно использовать тиристоры, при этом сила тока в них должна быть 0.3 ампера. Должны использоваться тиристоры с сопротивлением на 10 кОм, а их мощность будет составлять 0.25 вольт.
- От обмотки реле отключается нулевой контакт. В том случае, если в вашей машине есть электростеклоподъемники, то этот контакт будет отвечать за их функционирование. Демонтированный разъем нужно хорошо заизолировать, чтобы не допустить замыканий в дальнейшем.
- Затем осуществляется подключение контакта включения ПТФ к реле ДХО. Эта схема должна быть вмонтирована в реле, которое находится в блоке.
- Если в процессе подключения не были допущены ошибки, то ходовые огни будут активировать при включении зажигания. Если что-то не работает, то еще раз проверьте схему.
Видео «Вариант подключения ходовых огней без использования реле»
На видео ниже представлен вариант схемы подключения ходовых огней без использования реле (автор ролика — Артем Квантов).
